
|
Vista rápida |
|
|
Catálogo |
Sistema |
|
Categoría |
Servidores de aplicaciones |
|
Volúmenes de usuario |
yes |
|
Memoria mín. |
160 M |
|
SO |
Linux |
|
Restricciones |
no |
JBOSS es un dispositivo de servidor de aplicaciones basado en fuente abierta JBoss. JBOSS es compatible con dos versiones distintas de software JBoss:
JBOSS es compatible con varias tecnologías y funciones avanzadas:
JBOSS automáticamente implementa aplicaciones Web de un volumen de contenido montado localmente o de un sistema de archivos de red accesible a través del terminal fs. Hay disponibles varios entornos de ejecución preconfigurados, derivados de las configuraciones de JBoss estándar. La ruta a los documentos de aplicación es configurable, de modo que el mismo volumen se pueda compartir entre varios servidores Web u otros dispositivos que sirvan contenido diferente.
JBOSS tiene tres terminales de salida genéricos pensados para acceder a servicios externos: el terminal db sirve para acceder a varias bases de datos; el terminal fs sirve para acceder un sistema de almacenamiento de archivos compartido (con NFS); y el terminal aux para enviar mensajes de correo electrónico a un servidor SMTP.
El terminal de registro se puede usar para conectar JBOSS a un sistema de archivos compartido donde JBOSS puede almacenar archivos de registro.
El servidor se configura mediante propiedades. Estas propiedades están diseñadas para cubrir la mayor parte de los usos de una manera fácil de configurar. En la mayoría de los casos, se deben establecer únicamente algunas propiedades como un valor no predeterminado.
|
Nombre |
Última versión |
|
JBOSS |
2.0.3-1 |
|
JBOSS64 |
2.0.5-1 |
Versión de 32 bits
|
Recurso |
Mínimo |
Máximo |
Predeterminado |
Probado |
|
CPU |
0.1 |
16 |
0.25 |
- |
|
Memoria |
160 MB |
4 GB |
1 GB |
- |
|
Ancho de banda |
1 Mbps |
2 Gbps |
250 Mbps |
- |
Versión de 64 bits
|
Recurso |
Mínimo |
Máximo |
Predeterminado |
Probado |
|
CPU |
0.1 |
16 |
0.25 |
- |
|
Memoria |
160 MB |
32 GB |
1 GB |
- |
|
Ancho de banda |
1 MB |
2 GB |
250 MB |
- |
Requisitos de memoria para JBOSS
Las aplicaciones Java normalmente requieren una mayor cantidad de RAM para funcionar correctamente, y la cantidad de memoria requerida por JBOSS depende de los requisitos de las aplicaciones en ejecución. Si no hay suficiente memoria disponible, JBOSS puede bloquearse o no funcionar correctamente. En caso de bloqueo, se registra un mensaje en el cuadro de mandos.
|
Nombre |
Dirección |
Protocolo |
Descripción |
|
in |
in |
HTTP |
Sirve solicitudes HTTP procedentes de clientes Web. |
|
db |
Saliente |
Cualquiera |
Permite acceder a un servidor de base de datos. Los scripts que residen en el volumen de contenido, si los hubiere, definen el uso. Si no se usa, este terminal puede permanecer sin conectar. |
|
fs |
Saliente |
NFS |
Acceso a un sistema de archivos de red para almacenamiento compartido de archivos que proporciona acceso de lectura/escritura al archivo a través de NFS. El servidor conectado debe tener un recurso compartido de lectura/escritura denominado /mnt/data. El sistema de archivos remoto montado se "ve" como /mnt/fs dentro del espacio de sistema de archivos del dispositivo. Si no se usa, este terminal puede permanecer sin conectar. |
|
log |
Saliente |
CIFS |
Acceso a un sistema de archivos de red basado en CIFS para almacenar registros de error y de acceso. El servidor conectado debe permitir inicios de sesión anónimos y debe tener un recurso compartido de lectura/escritura denominado "share". Si no se usa, este terminal puede permanecer sin conectar. |
|
aux |
Saliente |
Cualquiera |
Permite acceder a un servidor SMTP para enviar correo electrónico saliente. Si no se usa, este terminal puede permanecer sin conectar. |
|
net |
Saliente |
Cualquiera |
Salida de la puerta de enlace para acceso de subred. Si no se usa, este terminal puede permanecer sin conectar. |
|
mon |
Saliente |
CCE |
Envía estadísticas sobre uso de recursos y rendimiento. Si no se usa, este terminal puede permanecer sin conectar. |
|
Nombre |
Descripción |
|
content |
Un volumen de sólo lectura o de lectura/escritura para almacenamiento de aplicaciones. Este volumen se utiliza solamente si la propiedad content_on_fs se establece en No, en cuyo caso este volumen es obligatorio. Si content_on_fs se establece en "yes" y el volumen de contenido existe, el dispositivo dará error al iniciarse. |
Propiedades generales
|
Nombre |
Tipo |
Descripción |
|
jboss_env |
Cadena |
Uno de los cuatro modos de funcionamiento: |
|
jboss_cfg |
Cadena |
Configuración de JBoss. Valores posibles: |
|
heap_size |
Entero |
Cantidad de memoria asignada al montón de Java (las opciones -Xms y -Xmx). Si esta propiedad es igual a 0, JBOSS calcula automáticamente el valor (aproximadamente un 70 % de RAM). Si esta propiedad se deja vacía, JBOSS no pasa las propiedades -XMs y -XMx a JVM, pudiendo el usuario especificarlas directamente en la propiedad java_opts. |
|
perm_size |
Entero |
Cantidad de memoria asignada a los objetos Java permanentes (las opciones -XX:PermSize y -XX:MaxPermSize). Si esta propiedad es igual a 0, JBOSS calcula el valor automáticamente (aproximadamente un 20 % de RAM). Si esta propiedad se deja vacía, JBOSS no pasa las propiedades -XX:PermSize y -XX:MaxPermSize a JVM, pudiendo el usuario especificarlas directamente en la propiedad java_opts. |
|
java_opts |
Cadena |
Esta cadena se agrega a la variable de entorno JAVA_OPTS antes de iniciar JVM. Aquí se pueden especificar opciones y parámetros adicionales (por ejemplo tamaño del montón, tamaño de generación permanente, opciones de depuración, etc.). |
|
tcp_port |
Entero |
El puerto en el que JBOSS permanece a la escucha de conexiones entrantes. |
|
app_base |
Cadena |
Directorio para las aplicaciones de usuario que se pueden implementar, relativas a la raíz del origen de datos (volumen de contenido montado o recurso montado en NFS). |
|
content_on_fs |
Cadena |
Especifica si el contenido se refiere al sistema de archivos del terminal fs o al volumen de contenido. |
|
timezone |
Cadena |
Especifica la zona horaria utilizada en el dispositivo. Si esta propiedad está vacía, la zona horaria no se modifica y se deja tal cual. Aquí tiene disponible una lista de zonas horarias admitidas. Valor predeterminado: vacío |
Registro de propiedades
|
Nombre |
Tipo |
Descripción |
|
logs_enabled |
Cadena |
Activa o desactiva el registro. Los valores válidos son "yes" o "no". Si el terminal de registro no está conectado y esta propiedad se establece en "yes", JBOSS dará error al iniciarse. |
|
logs_dir |
Cadena |
Directorio donde se almacenan los registros relativos a la raíz del recurso compartido de registro. |
|
log_filename |
Cadena |
Nombre de archivo para el archivo de registro. |
|
log_level |
Cadena |
Nivel de registro. Valor predeterminado: depuración |
Propiedades de agrupamiento en clúster
|
Nombre |
Tipo |
Descripción |
|
partition_name |
Cadena |
El nombre de una partición. Todas las instancias de JBOSS en el grid que tienen el mismo nombre de partición se unen en un clúster. Si esta propiedad está vacía, se desactiva la posibilidad de agrupamiento. Valor predeterminado: vacío |
Servidor Web/de aplicaciones sencillo
Esta es la forma más sencilla de usar un dispositivo JBOSS. Una puerta de enlace IN enruta todo el tráfico HTTP entrante al dispositivo JBOSS. En este escenario, JBOSS utiliza un volumen de contenido local.

Dispositivos en uso:
Propiedades en uso:
|
Propiedad |
Valor |
Descripción |
|
jboss_env |
JBoss 4, JDK 5 |
Entorno de JBoss en uso. |
|
jboss_cfg |
predeterminada |
Configuración predeterminada de JBoss. |
|
tcp_port |
80 |
Puerto predeterminado para HTTP. |
|
app_base |
content |
Las aplicaciones se encuentran en el subdirectorio /content del volumen de datos. |
|
content_on_fs |
off |
El contenido se encuentra en el volumen local. |
|
logs_enabled |
no |
Sin registro. |
Servidor Web/de aplicaciones sencillo con almacén de datos externo, base de datos y control.
Este es un ejemplo más complejo que utiliza almacenamiento de datos externo, un dispositivo de base de datos y un dispositivo de control.

Dispositivos en uso:
Propiedades en uso:
|
Propiedad |
Valor |
Descripción |
|
jboss_env |
JBoss 5, JDK 6 |
Último entorno JBoss en uso. |
|
jboss_cfg |
predeterminada |
Configuración predeterminada de JBoss. |
|
tcp_port |
80 |
Puerto predeterminado para HTTP. |
|
app_base |
content |
Las aplicaciones se encuentran en el subdirectorio /content del volumen de datos montado en NFS. |
|
content_on_fs |
on |
El contenido se encuentra en el volumen montado en NFS. |
|
logs_enabled |
yes |
Con registro. |
|
logs_dir |
/jboss_logs |
El archivo de registro se encuentra en el subdirectorio /jboss_logs/ del dispositivo NAS. |
|
log_filename |
jboss-runtime.log |
El archivo de registro se llama "jboss-runtime.log". |
|
log_level |
EMERG |
Solamente se registran mensajes de emergencia. |
Servidor de aplicaciones con front-end
En este ejemplo, el dispositivo de front-end WEB6 procesa contenido estático y redirige todas las solicitudes de contenido generado de forma dinámica al dispositivo JBOSS de back-end.

Dispositivos en uso:
Propiedades en uso:
|
Propiedad |
Valor |
Descripción |
|
jboss_env |
JBoss 4, JDK 5 |
Entorno de JBoss en uso. |
|
jboss_cfg |
predeterminada |
Configuración predeterminada de JBoss. |
|
tcp_port |
8080 |
Puerto TCP de JBoss estándar. |
|
app_base |
content |
Las aplicaciones se encuentran en el subdirectorio /content del volumen de datos. |
|
content_on_fs |
off |
El contenido se encuentra en el volumen local. |
|
logs_enabled |
no |
Sin registro. |
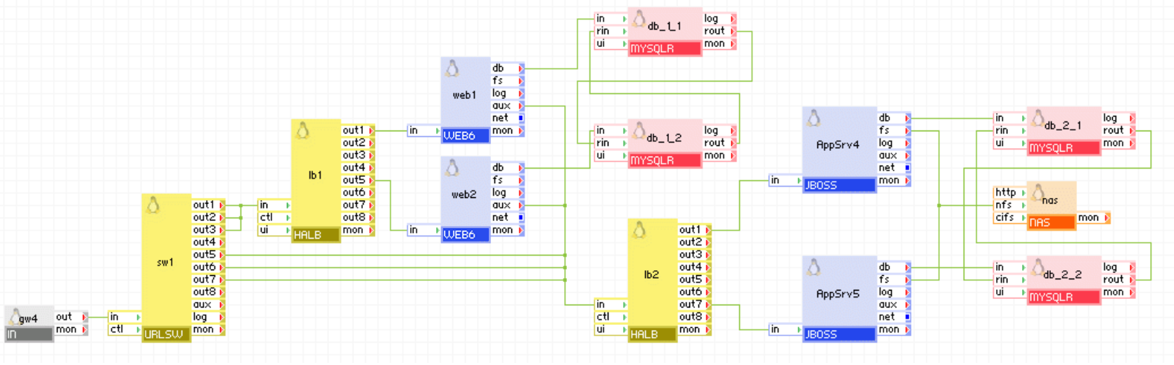
Entorno de alojamiento complejo con front-end, bases de datos y servidores de back-end agrupados y tolerantes a fallos.
Esta es una aplicación compleja con un front-end agrupado, varias bases de datos agrupadas y un back-end de JBoss agrupado.

La puerta de enlace de entrada gw4 recibe solicitudes entrantes y las envía al conmutador URL sw1, el cual separa las solicitudes de contenido estático (enviadas a través de los terminales de salida 1-3 por medio del equilibrador de carga lb1 y de allí a los servidores Web de front-end web1 y web2) de las llamadas de aplicación (enviadas a través de los terminales de salida 5-7 por medio del equilibrador de carga de back-end lb2 y después a los servidores de aplicaciones JBoss AppSrv4 y AppSrv5). La granja Web de servidores de front-end (web1 y web2) procesa las solicitudes entrantes, y bien responde con contenido estático, o reenvía las solicitudes a servidores de back-end a través del segundo equilibrador de carga lb2. Los servidores de front-end usan dispositivos de base de datos MySQL agrupados db_1_1 y db_1_2. El segundo equilibrador de carga lb2 equilibra el tráfico entre los dispositivos de JBoss agrupados AppSrv4 y AppSrv5. Éstos a su vez usan los dispositivos de base de datos agrupados db_2_1 y db_2_2. El almacenamiento de datos se proporciona a través de NFS mediante el dispositivo NAS.
Dispositivos en uso:
Propiedades en uso:
|
Propiedad |
Valor |
Descripción |
|
jboss_env |
JBoss 5, JDK 6 |
Último entorno JBoss en uso. |
|
jboss_cfg |
all |
toda la configuración de JBoss, incluye agrupamiento en clúster. |
|
tcp_port |
8080 |
Puerto predeterminado para JBoss. |
|
app_base |
content |
Las aplicaciones se encuentran en el subdirectorio /content del volumen de datos montado en NFS. |
|
content_on_fs |
on |
El contenido se encuentra en el volumen montado en NFS. |
|
logs_enabled |
no |
Sin registro. |
JBOSS y JBOSS64 utilizan los siguientes paquetes de código abierto de terceros, además de los paquetes de fuente abierta de terceros que utilizan sus clases base LUX6 y LUX64 respectivamente.
|
Software |
Versión |
Modificado |
Licencia |
Notas |
||||
|
JBOSS |
4.2.3.GA |
No |
LGPL |
Página principal |
||||
|
JBOSS |
5.1.0.GA |
No |
LGPL |
Página principal |
||||
|
JDK |
6u21 |
No |
Oracle |
disponible en el sitio web de Oracle |
||||
|
JDK |
1.5.0_22 |
No |
Sun Community Source License y Java Research License |
disponible en http://www.oracle.com/technetwork/java/index.html/ |
||||
|
Jboss-native |
2.0.9 |
No |
LGPL v2.1, algunos aspectos en GPL v2.0, Apache v2.0, Sleepycat License y Common Public License v1.0 |
N/D |
||||
|
samba-client |
3.5.10-125.el6 |
No |
GPLv2 |
N/D |
||||
|
samba-common |
3.5.10-125.el6 |
No |
GPLv2 |
N/D |
||||
|
Copyright © 2013 CA.
Todos los derechos reservados.
|
|