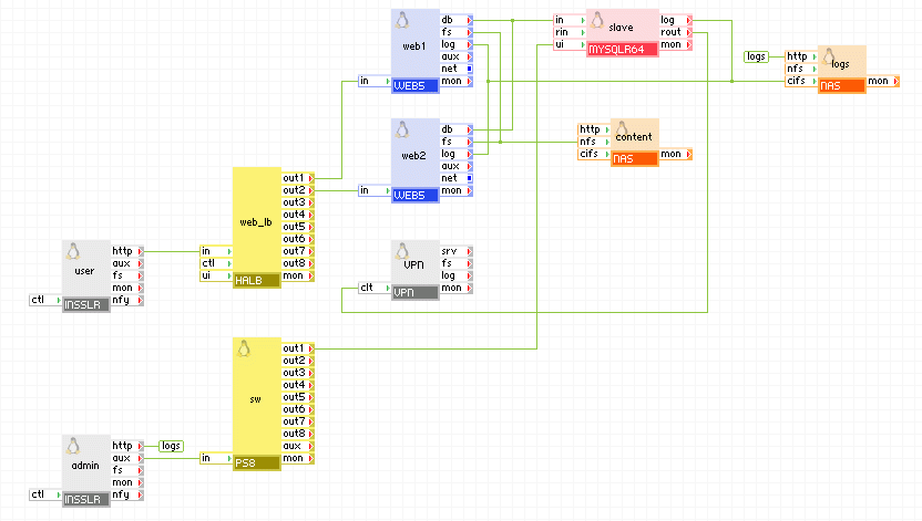
El diagrama siguiente muestra un uso típico del dispositivo MYSQLR64 en una aplicación Web que se ejecuta en más de una instalación. Con esta configuración podrá ejecutar dos o más aplicaciones idénticas en instalaciones diferentes replicando la base de datos a todas las aplicaciones en la configuración principal-principal. Esto es útil en dos casos:
Aplicación principal

Aplicación secundaria

Dispositivos en uso:
La solicitud del cliente llega a la puerta de enlace de usuario. La puerta de enlace reenvía las solicitudes al equilibrador de carga web_lb, el cual las dirige a uno de los servidores Web: web1 o web2. Los servidores Web acceden a la base de datos principal. El dispositivo principal se conecta a la aplicación remota (secundaria) para replicar la base de datos (siendo la única diferencia la propiedad server_id de secundario y la configuración de la red). La aplicación remota se conecta al dispositivo principal a través de la puerta de enlace vpn configurada para permitir establecer conexión solamente desde la puerta de enlace vpn de la aplicación remota. Los dispositivos principal y secundario en las dos aplicaciones se ejecutan en la configuración principal-principal, de modo que siempre tienen datos idénticos.
Configuración de una propiedad de ejemplo (las propiedades que no se especifican deberían dejarse con sus valores predeterminados):
El acceso Web a los dispositivos principales y secundarios está disponible a través de la puerta de enlace admin en el puerto 8080.
Principal
|
Nombre de la propiedad |
Valor |
Notas |
|
auto_create |
1 |
Crea la base de datos si los volúmenes están vacíos. |
|
error_log_filename |
master-db.error |
Nombre del archivo de registro de errores que se almacenará en el volumen de datos de registros. |
|
error_log_level |
error |
Nivel de registro de errores. |
|
server_id |
1 |
Servidor principal (no es obligatorio que sea 1; debe ser diferente del server_id del secundario). |
|
rpl_mode |
master |
Escribir registros binarios para la tarea de replicación. |
VPN principal
|
Nombre de la propiedad |
Valor |
Notas |
|
mode |
server |
Funciona como servidor. |
|
tunnel |
certificates |
Uso de certificados SSL. |
|
tcp_ports |
3306,22 |
Permite usar los puertos que necesita MYSQLR64. |
|
ip_addr |
master_vpn_ip |
Dirección IP de la VPN en la aplicación principal. |
|
remote_host |
slave_vpn_ip |
Dirección IP de la VPN en la aplicación secundaria. |
slave
|
Nombre de la propiedad |
Valor |
Notas |
|
auto_create |
1 |
Crea la base de datos si los volúmenes están vacíos. |
|
error_log_filename |
slave-db.error |
Nombre del archivo de registro de errores que se almacenará en el volumen de datos de registros. |
|
error_log_level |
error |
Nivel de registro de errores. |
|
server_id |
2 |
Servidor secundario (no es obligatorio que sea 2; debe ser diferente del server_id del principal). |
|
rpl_mode |
slave |
Conectarse al principal. |
VPN secundario
|
Nombre de la propiedad |
Valor |
Notas |
|
mode |
client |
Funciona como cliente. |
|
tunnel |
certificates |
Uso de certificados SSL. |
|
auth_path |
"client1" |
Ruta al archivo de certificado SSL. |
|
ip_addr |
slave_vpn_ip |
Dirección IP de la VPN en la aplicación secundaria. |
|
remote_host |
master_vpn_ip |
Dirección IP de la VPN en la aplicación principal. |
La aplicación remota es una copia exacta, la única diferencia es la configuración de red de los dispositivos user, admin y vpn, las conexiones entre el dispositivo vpn y el principal=/=secundario, y el server_id del dispositivo principal=/=secundario (debería ser único).
Si necesita migrar de MYSQLR a MYSQLR64 (y viceversa), no debería utilizar los volúmenes del dispositivo de 32 bits en uno 64 bits (o viceversa), ya que se podrían dañar los datos. Para hacer esto se recomienda volcar la base de datos en el dispositivo antiguo, transferir el archivo volcado al dispositivo nuevo y, a continuación, importar la base de datos en el dispositivo nuevo.
El mismo procedimiento se puede utilizar para migrar una base de datos desde un dispositivo de base de datos más viejo (MYSQL, MYSQL5, MYSQL64) o una base de datos MySQL que no se ejecuta en un dispositivo de CA AppLogic.
Para migrar la base de datos:
Tenga en cuenta lo siguiente:
Importante: Al crear usuarios para la base de datos, compruebe que todos los usuarios se crean sin restricciones en el host desde el que se conectan. Por ejemplo:
mysql> GRANT ALL PRIVILEGES ON *.* TO 'monty'@'%'
-> IDENTIFIED BY 'some_pass' WITH GRANT OPTION;
MYSQLR64 utiliza los siguientes paquetes de fuente abierta/de terceros además de los paquetes de fuente abierta/de terceros que utiliza su clase base LUX64.
|
Software |
Versión |
Modificado |
Licencia |
Notes |
|
aspell |
0.60.3-7.1 |
No |
LGPLv2.1 |
N/A |
|
aspell-en |
6.0-2.1 |
No |
LGPLv2.1 |
N/A |
|
curl |
7.15.5-2 |
No |
MIT |
N/A |
|
device-mapper-event |
1.02.32-1 |
No |
GPLv2 |
N/A |
|
freetype |
1.02.32-1 |
No |
FTL |
N/A |
|
gmp |
4.1.4-10.el5 |
No |
LGPLV2.1 |
N/A |
|
libidn |
0.6.5-1.1 |
No |
LGPLv2.1 |
N/A |
|
libjpeg |
6b-37 |
No |
Distribuible |
N/A |
|
libpng |
1.2.10-7.0.2 |
No |
zlib/libpng |
N/A |
|
lvm2 |
2.6.26-2.1.2.8 |
No |
GPLv2.0 |
N/A |
|
mysql |
5.0.77-3.el5 |
No |
GPL |
N/A |
|
mysql-server |
5.0.77-3.el5 |
No |
GPLv2 |
N/A |
|
perl-DBD-MySQL |
3.0007-2.el5 |
No |
Artística |
N/A |
|
perl-DBI |
1.52-2.el5 |
No |
Artística |
N/A |
|
php-cli |
5.1.6-23.el5 |
No |
PHPv3.01 |
N/A |
|
php-common |
5.1.6-23.el5 |
No |
PHPv3.01 |
N/A |
|
php-gd |
5.1.6-23.el5 |
No |
PHPv3.01 |
N/A |
|
php-mbstring |
5.1.6-23.el5 |
No |
PHPv3.01 |
N/A |
|
php-mysql |
5.1.6-23.el5 |
No |
PHPv3.01 |
N/A |
|
php-pdo |
5.1.6-23.el5 |
No |
PHPv3.01 |
N/A |
|
rsync |
2.6.8-3.1 |
No |
GPLv2 |
N/A |
|
samba-client |
3.0.28-1.el5_2.1 |
No |
GPLv2 |
N/A |
|
samba-common |
3.0.28-1.el5_2.1 |
No |
GPLv2 |
N/A |
|
sudo |
1.6.8p12-10 |
No |
ISC |
N/A |
|
lighttpd |
1.4.18-1.el5.rf |
No |
BSD |
N/A |
|
perl-IPC-Run |
0.84-1.el5.rf |
No |
Artística |
N/A |
|
perl-Time-Duration |
1.06-1.el5.rf |
No |
Artística |
N/A |
|
phpMyAdmin |
2.11.10-1 |
No |
GPLv2 |
N/A |
El dispositivo MYSQLR se bloquea al iniciarse
Desde MYSQLR 1.6.2, se puede establecer o cambiar la contraseña para la cuenta de la base de datos raíz. Sin embargo, el dispositivo MSYQLR tiene algunas cuentas raíz con nombres de host diferentes. Cuando se establezca o cambie una contraseña, se deberá utilizar siempre la cuenta root@%. La cuenta root@% es la cuenta ante la que se autentican los dispositivos conectados al terminal de entrada de MYSQLR . Las otras cuentas raíz se utilizan solamente desde usuarios locales, y no se deberá establecer nunca una contraseña para ellos, ya que al hacerlo el dispositivo MYSQLR dará error al iniciarse.
Nota: Si deja la cuenta root@localhost sin contraseña, no incurrirá en un problema de seguridad, ya que sólo los usuarios locales pueden utilizar esta cuenta en el dispositivo y cualquiera con acceso al dispositivo podrá cambiar la contraseña.
Recuperación de un dispositivo MYSQLR que falla al iniciarse después de haber cambiado la contraseña de la base de datos raíz
Para recuperar un dispositivo que da error al iniciarse porque se ha cambiado la contraseña raíz de la base de datos, realice los pasos siguientes:
comp start main.MYSQLR --debug
app start --debug
Debería poder iniciar sesión en el dispositivo unos cuantos segundos después de iniciar el dispositivo. No es necesario esperar a que el dispositivo alcance el tiempo de espera.
mysql -p -e "update mysql.user set Password='' where User='root'"
mysqladmin -p flush-privileges
mysql -e 'update mysql.user set password=PASSWORD("NEWPASSWORD") where User="root" and Host="%"'
mysqladmin flush-privileges
| Copyright © 2012 CA. Todos los derechos reservados. |
|