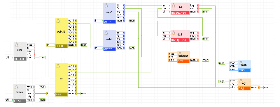
El diagrama siguiente muestra un uso típico del dispositivo MYSQLR64 en una aplicación Web en la cual la base de datos se replica a dos servidores en un escenario de replicación de principal-principal. En este caso, la aplicación usa servidores tanto WEB como MYSQLR64 durante la operación de equilibrio de carga. También, en el caso de que una de las instancias WEB/MYSQLR64 falle, la otra instancia WEB/MYSQLR64 se puede utilizar para evitar tiempo de inactividad en la aplicación.

Dispositivos en uso:
La solicitud del cliente llega a la puerta de enlace user. La puerta de enlace reenvía las solicitudes al equilibrador de carga web_lb, el cual las dirige a uno de los servidores Web: web1 o web2. web1 usa el dispositivo de base de datos db1 y web2 usa el dispositivo de base de datos db2. db1 y db2 se conectan para replicar las actualizaciones que los servidores Web hagan a la base de datos. Cada dispositivo MYSQLR64 utiliza un desplazamiento (igual a su server_id) para las columnas auto_increment, de manera que no se produzca duplicación de entradas.
El acceso Web a los dispositivos db1 y db2 está disponible a través de la puerta de enlace admin en los puertos 8080 y 8081.
Los dispositivos db1, db2, web1 y web2 se configuran para almacenar sus archivos de registro dentro del directorio raíz del recurso que muestran los registros. Además, un administrador puede ver los archivos de registro a través de la puerta de enlace admin.
Configuración de una propiedad de ejemplo (las propiedades que no se especifican deberían dejarse con sus valores predeterminados):
db1
|
Nombre de la propiedad |
Valor |
Notas |
|
auto_create |
1 |
Crea la base de datos si los volúmenes están vacíos. |
|
error_log_filename |
db1.error |
Nombre del archivo de registro de errores que se almacenará en el volumen de datos de registros. |
|
error_log_level |
error |
Nivel de registro de errores. |
|
server_id |
1 |
Servidor principal (no es obligatorio que sea 1; debe ser diferente del server_id del secundario). |
|
rpl_mode |
master_and_slave |
Principal y secundario |
db2
|
Nombre de la propiedad |
Valor |
Notas |
|
auto_create |
1 |
Crea la base de datos si los volúmenes están vacíos. |
|
error_log_filename |
db2.error |
Nombre del archivo de registro de errores que se almacenará en el volumen de datos de registros. |
|
error_log_level |
error |
Nivel de registro de errores. |
|
server_id |
2 |
Servidor principal (no es obligatorio que sea 1; debe ser diferente del server_id del secundario). |
|
rpl_mode |
master_and_slave |
Principal y secundario |
Notas:
| Copyright © 2012 CA. Todos los derechos reservados. |
|