
|
早見表 |
|
|
カタログ |
システム |
|
カテゴリ |
Web サーバ |
|
ユーザ ボリューム |
はい |
|
最小 メモリ |
160 MB |
|
OS |
Linux |
|
制約 |
いいえ |
|
質問/コメント |
|
WEB は、Apache オープン ソース Web サーバ ソフトウェア(http://httpd.apache.org を参照)に基づいた Web サーバ アプライアンスです。
WEB は静的な Web コンテンツに対応し、ユーザ設定可能な読み取り専用コンテンツ ボリュームからスクリプトを実行します。 ドキュメントおよびスクリプトへのパスは設定可能です。したがって、同じボリュームを異なるコンテンツに対応する複数の Web サーバまたは他のアプライアンス(またはその両方)との間で共有できます。
WEB には、コンテンツ ボリューム上のスクリプトから外部サービスにアクセスするための 3 つの汎用出力端子があります。 db 端子は MySQL データベースにアクセスするために使用されます。fs 端子は共有ファイル ストレージにアクセスするために使用されます(NFS を使用)。また、aux 端子は、補助アクセス用です(SMTP サーバへの電子メール メッセージの送信など)。
log 端子は、WEB がログ ファイルを格納できる共有ファイルシステムに WEB を接続するために使用します。
Web サーバの設定はプロパティを使用して行います。 これらのプロパティは簡単な設定方法でほとんどの使用状況に対応できるように設計されていて、通常は、デフォルト以外の値に設定する必要はほとんどありません。 高度な設定は、コンテンツ ボリュームから提供される Apache 設定形式のインクルード ファイルを使用して行えます。 コンテンツとスクリプト ファイルへのアクセスおよびそのオプションは、コンテンツ ディレクトリ内の .htaccess ファイルを通じてさらに特殊設定できます。
WEB アプライアンスによって提供される機能でニーズを満たせない場合は、テクニカル サポートに連絡して可能なオプションを検討してください。 カタログを拡張して、お客様のニーズを満たすアプライアンスをご提供できる場合があります。
|
名前 |
最新バージョン |
OS |
Apache |
PHP |
Python |
Perl |
MySQL クライアント ライブラリ |
メモ |
|
WEB6 |
3.1.2-1 |
CentOS 6.3 |
2.2.15 |
5.3.3 |
2.6.6 |
5.12.2 |
5.1.61 |
|
|
WEB64 |
3.0.2-1 |
CentOS 5.5 (64 ビット) |
2.2.3 |
5.1.6 |
2.4.3 |
5.12.2 |
5.0.22 |
|
|
リソース |
最小 |
最大 |
デフォルト |
|
CPU |
0.1 |
16 |
0.3 |
|
メモリ |
160MB |
32 GB |
512 MB |
|
帯域幅 |
1 Mbps |
2 Gbps |
250 Mbps |
|
名前 |
方向 |
プロトコル |
説明 |
|
in |
in |
HTTP |
Web クライアントから送られる HTTP リクエストを処理します。 HTTP/1.1 および 1.0 プロトコルを処理します。 |
|
db |
out |
MYSQL |
MySQL サーバにアクセスします。 使用状況は、コンテンツ ボリューム上の任意のスクリプト(存在する場合)によって定義されます。 使用しない場合、この端子は未接続のままにできます。 |
|
fs |
out |
NFS |
NFS を介して読み取り/書き込みファイル アクセスを提供する、共有ファイル ストレージのネットワーク ファイルシステムへのアクセス。 使用状況は、コンテンツ ボリューム上の任意のスクリプト(存在する場合)によって定義されます。 コンテンツ ボリューム上のソフトウェアは、マウントされたリモート ファイルシステムを、アプライアンスのファイルシステム スペースの /mnt/fs であるとみなします。 使用しない場合、この端子は未接続のままにできます。 接続されたサーバは /mnt/data という名前の読み取り/書き込み共有アクセス権を持っている必要があります。 |
|
log |
out |
CIFS |
アクセスとエラー ログを格納するための、CIFS ベースのネットワーク ファイルシステムへのアクセス。 使用しない場合、この端子は未接続のままにできます。 接続されたサーバは、匿名のログインを許可し、share という名前の読み取り/書き込み共有アクセス権を持っている必要があります。 |
|
aux |
out |
任意 |
任意の補助サービスへのアクセス(たとえば、電子メールを送信するための SMTP サーバ)。 使用状況は、コンテンツ ボリューム上の任意のスクリプト(存在する場合)によって定義されます。 |
|
net |
out |
任意 |
サブネット アクセス用のゲートウェイ出力です。 |
|
mon |
out |
CCE |
パフォーマンスとリソースの使用状況統計を送信します。 |
デフォルト インターフェースは有効です。 デフォルトのインターフェースは、正常に起動されたことをレポートするためにアプライアンスによって使用されます。 また、主に診断およびトラブルシューティングの目的で、グリッド コントローラからセキュア シェルを介してアプライアンスへログインする場合にも使用できます。
|
ボリューム |
説明 |
|
content |
Web コンテンツ(ドキュメント、メディアおよびスクリプト)が WEB によって処理されるようにする、読み取り専用で共有可能なボリューム。 |
ボリュームは、オプションで設定可能なスクリプト専用ディレクトリを持つ、静的および動的の両方またはいずれか一方であるコンテンツを提供する場合があります。 任意のディレクトリからのスクリプト実行もファイル名パターンを使用して設定できます。
コンテンツに加えて、コンテンツ ボリューム上のドキュメント ディレクトリ(docs_dir プロパティによって設定)は、すべて標準 Apache 設定形式の、以下のオプションの環境設定ファイルも保持する場合があります(http://httpd.apache.org/docs/2.2 を参照)。
|
プロパティ名 |
タイプ |
説明 |
|
host_name |
String |
Web サイトのホスト名。 WEB では、この名前を使用して、自動的に生成されたページで表示するだけでなく、たとえば、サーバ生成リダイレクトでの絶対 URL の構築にも使用します(たとえば、コンテンツ ボリューム上にインストールされたカスタム設定ファイルでセットアップ可能)。 明示的なリダイレクトが設定されることはほとんどありませんが、末尾に 「/」が付随しないディレクトリがリクエストされると、クライアントへのリダイレクトには「/」が追加されます。このリダイレクトは、host_name の値が設定されている場合はそれを使用します。 |
|
admin_email |
String |
サーバ管理者の電子メール アドレス。 WEB は、自動的に生成されたページでこの名前を使用して表示します。 |
|
content_on_fs |
String |
コンテンツが fs 端子でファイルシステムを基準にするか、またはコンテンツ ボリューム上にあるかどうかを指定します。 有効な値は on および off です。 on に設定されている場合は、すべてのコンテンツが fs 端子でのファイルシステムを基準とします。 off に設定されている場合、コンテンツはコンテンツ ボリューム上にあります。 |
|
docs_dir |
String |
対応するドキュメントがあるコンテンツ ボリューム上のルート ディレクトリ。 たとえば、/mydocs が考えられます。 このプロパティは、複数の WEB サーバがコンテンツ ボリュームを共有し、各サーバが自身のドキュメントを必要とする場合に便利です。 docs_dir が空の文字列に設定される場合は、コンテンツ ボリュームのルート ディレクトリが使用されます。 |
|
docs_loc |
String |
コンテンツが表示されるクライアント可視ネームスペース内の任意の場所(「クライアント可視ネームスペース」は、URL のパス部分です。先頭の / を含めた URL 内のホスト名の右に表示されます)。 空でない値に設定されている場合は、これがドキュメント ルート ディレクトリが表示されるクライアント可視のネームスペース ルートになります。 たとえば、docs_loc が subspace/samples に設定されている場合、/subspace/samples/file1.html の HTTP リクエストはドキュメント ルート ディレクトリにある file1.html に対応します。 /subspace/ サンプル外の場所に対するリクエストは、スクリプト ディレクトリ内のスクリプトのリクエストを除いて、エラーを返します(scripts_loc を参照)。 |
|
scripts_dir |
String |
CGI スクリプトがあるコンテンツ ボリューム上のルート ディレクトリ。 たとえば、/scripts が考えられます。 これは、実行可能スクリプトのみを含むコンテンツ ボリューム上のディレクトリを参照する、空ではない値に設定してください(「/」には設定しないでください)。 |
|
scripts_loc |
String |
scripts_dir によって指定されたスクリプト ディレクトリを可視状態にする Web スペース内の場所。 これは、専用スクリプト ディレクトリを使用できるように、空でない文字列に設定する必要があります。 典型的な値として /cgi-bin が考えられます。 この値には末尾のスラッシュを追加しないでください。 |
|
logs_enabled |
String |
WEB で log 端子からそのログを送信するかどうかを制御します。 有効な値は on および off です。 on に設定されている場合は、log 端子を接続する必要があります。 off に設定される場合、アクセス ログは使用されません。エラー ログは WEB インスタンスのルート ファイルシステム上のファイルに書き込まれ、週ごとにローテーションされ、バック ログが 4 週間保持されます(/var/log/httpd/error_log*)。 デフォルト: off |
|
logs_base_dir |
String |
WEB ログが格納されるディレクトリ。 logs_enabled が「off」に設定される場合、このプロパティは無効です。 デフォルト: / |
|
access_log_filename |
String |
log 端子でアクセス可能なファイルシステムに関連する、アクセス ログ用のファイル名。 たとえば access_log。 名前にはディレクトリ名(たとえば /srv1_logs/access_log、/logs/srv1_access_log)が含まれる場合があります。 空の場合、アクセス ログは作成されません。 ディレクトリが存在しない場合は、ディレクトリが作成されます。 logs_enabled が off に設定される場合、このプロパティは無効です。 デフォルト:(空) |
|
error_log_filename |
String |
log 端子でアクセス可能なファイルシステムに関連する、エラー ログ用のファイル名。 名前にはディレクトリ名が含まれる場合があります。 例については、access_log_filename を参照してください。 これが空の値に設定される場合、または logs_enabled が「off」である場合、エラー ログは、WEB インスタンス自体のルート ファイルシステム上のファイルに書き込まれます。 logs_enabled が off に設定される場合、このプロパティは無効です。 デフォルト:(空) |
|
error_log_level |
String |
エラー ログに書き込まれるメッセージの重大度レベル。 有効な値は、debug、info、notice、warn、error、crit、alert、emerg です。 debug はほとんどのメッセージを書き込み emerg は緊急メッセージのみを書き込みます。 デフォルト: warn |
|
timezone |
String |
アプライアンスで使用されるタイムゾーンを指定します。 このプロパティが空の場合、タイムゾーンは変更されず、現状のものが使用されます。 サポートされているタイムゾーンのリストはここで参照できます。 デフォルト: empty |
重要: 列挙されたすべての文字列プロパティは、大文字と小文字を区別しません(小文字)。 他のすべての文字列プロパティは大文字と小文字を区別します。
通常は設定する必要のない追加のプロパティです。 標準外の状況で WEB を調整するために使用できます。
|
プロパティ名 |
タイプ |
説明 |
|
cgi_ext |
文字列 |
CGI スクリプト用のファイル名サフィックスをスペース区切りのリストとして定義します。 これは実行可能 CGI スクリプト(任意のディレクトリ内)として扱うファイルの指定に使用され、共通のスクリプト ディレクトリの指定の代わりとして使用できます。scripts_dir および scripts_loc プロパティを参照してください。 デフォルト: .cgi |
|
shared_perl_ext |
文字列 |
インプロセス Perl スクリプト用のファイル名サフィックスをスペース区切りのリストとして定義します。 これは mod_perl で実行する Perl スクリプトとして扱うファイルを指定するために使用されます。 cgi_ext 内にすでに指定されたものと一致する拡張子は、その拡張子に対する CGI の使用を無効にし、代わりに mod_perl によって実行されるように設定します。 インプロセス Perl モジュールは、指定された拡張子を使用して CGI 互換モードでスクリプトを実行するように設定されています。CGI プロセスとして実行するよう設計されたほとんどの Perl スクリプトは、インプロセス スクリプトとしても設定すると機能します。 注: mod_perl によって実行されるスクリプトはすべて Perl インタープリタの再起動なしに動作します。したがって、use strict; や use warnings; など、すべてのファイル スコープ変数の適切な初期化についてスクリプトをチェックすることが重要です。 スクリプトが mod_perl で動作するかどうか分からない場合、mod_perl ドキュメント(http://perl.apache.org/docs/index.html)で詳細を確認してください 。 |
|
index_files |
文字列 |
クライアントがディレクトリ名を参照する URL をリクエストする場合にディレクトリの索引ページとして使用する、順序付けられたスペース区切りのファイル リスト。 |
|
use_htaccess |
文字列 |
ドキュメント ツリー全体の .htaccess ファイルの使用を有効にするべきかどうかを指定します。 これはデフォルトでは無効になっています。サーバ オプションの高精度な制御が必要であるが共通の環境設定ファイル内のセクションのセットを使用して設定するには複雑すぎるコンテンツ ディレクトリ構造を持つ場合、またはすでに .htaccess を使用する事前設定済みのコンテンツ ボリュームがあり、再配置を避けたい場合にのみ使用してください。 設定オプションがドキュメント ルート自体にのみ必要である場合、代わりにドキュメント ルート ディレクトリの .htconf ファイル内に設定を置いてください。.htaccess と全く同様に適用されますが、ファイルがブート時に一度読み込まれる点が異なります。 デフォルト: off |
|
max_connections |
整数 |
WEB が処理できる同時にアクティブな接続の最大数。 この制限に到達すると、追加の接続リクエストは(511 の制限まで)キューに置かれ、現在アクティブな接続が閉じられると処理されます。 この値は、WEB が、外部ソースの遅いデータ(たとえば、長いデータベース クエリ)にアクセスする必要のある大量のリクエストを処理することになっている場合にのみ使用します。 システムメモリが十分でない場合、同時接続の実際の数は、このプロパティに設定された値より低く制限される場合があります。 「メモリ使用量」セクションを参照してください。 max_connections 値は 256 より大きい値には設定できません。 |
|
persistent_connections |
文字列 |
クライアントが同じ接続上で複数のドキュメントをリクエストすることを WEB が許可するかどうかをコントロールします。 有効な値は on と off です。 HTTP/1.1 を正しくサポートせず、HTTP/1.0 にフォールバックしないクライアントに関する問題が発生した場合にのみ、永続的接続を無効にする必要が生じる場合があります。 デフォルト: on |
|
idle_timeout_sec |
整数 |
リクエストや応答がない場合にクライアント接続を開いたままにしておく、秒単位のタイムアウト。 このプロパティは、persistent_connections が on の場合のみ使用されます。 このタイムアウトを短くすると、使用されていない接続をすみやかに切断することに役立ちます。 デフォルト: 15。 |
|
data_timeout_sec |
整数 |
データ送信が開始されたが完了していないときに、さらにデータを受信または送信する場合の秒単位のタイムアウト。 このタイムアウトがあると、WEB が転送中に遅延を許可する一方で使用されていない接続を切断することを可能にします。 デフォルト: 300 |
|
default_charset |
文字列 |
text/html または text/plain タイプの返されたドキュメントをレポートするために設定されたデフォルトの文字セット。 このプロパティは文字セットの名前か、off(HTTP 応答で charset ヘッダの送信を無効にする)に設定する必要があります。 注:ブラウザの設定によっては、このプロパティは処理される HTML ドキュメントの作者が作成した文字セット値を無効にする場合があります。したがって、有効な文字セットの仕様が含まれないドキュメントがあり、この WEB インスタンスによって処理されるすべてのドキュメントが同じ文字セットを持つことが事前に分かっている場合にのみ推奨されます。 典型的な値の例は、iso-8859-1 または utf-8 です。 デフォルト: Off |
|
info_level |
文字列 |
WEB が自身に関する情報を Web クライアントにどれだけ開示するかをコントロールします(HTTP 応答および自動的に生成されたページ)。 有効な値は、full(最大限の情報)、os、minor、major、prod(最小限の情報)です。 セキュリティ対策として、最小限の情報を公開することが推奨されます。 デフォルト: prod |
|
server_signature |
文字列 |
生成されたすべてのページ(たとえばエラーページ)の最下部に WEB がサーバの署名行を追加するかどうかをコントロールします。 有効な値は on と off です。 WEB が署名に含める情報の量は info_level によってコントロールされます。 デフォルト: off(署名なし)。 |
|
env |
文字列 |
名前 = 値のペアとして設定を WEB へ渡すために使用されます。 これらの値は環境に設定されていないため、値を使用するか解析するかの判断はユーザに委ねられています。 デフォルト:(空) |
|
web_console |
文字列 |
オンに設定されている場合、Apache に対して内部インターフェース上での強制的なリスンを実行します。 デフォルト: off |
|
Httpd_prerun_script |
文字列 |
Apache サービスの事前実行スクリプト名。 これは省略可能で、コンテンツ ボリューム上に存在する場合、実行中です。 デフォルト: .rc.local |
重要: 列挙されたすべての文字列プロパティは、大文字と小文字を区別しません(小文字)。 他のすべての文字列プロパティは大文字と小文字を区別します。
WEB アプライアンスは mon 端子を介して以下のカスタム カウンタをレポートします。
以下のカウンタが Apache カウンタ グループに属します。
|
カウンタ名 |
説明 |
|
Total hits |
ヒット数の合計 |
|
Total bytes |
バイト数合計 |
|
Active requests |
アクティブなリクエスト数 |
|
Idle servers |
アイドル サーバの数 |
アプライアンスが開始に失敗すると、以下のメッセージが、アプライアンスのログ ファイルまたはグリッド コントローラのシステム ログのいずれかに表示される場合があります。
WEB は、広範囲に利用可能なメモリで実行して、異なるサイズおよび負荷のアプリケーションに適合できるようにそれ自体を自動的に設定します。 ただし、WEB のコンテンツ ボリュームにインストールされる場合がある動的なコンテンツ スクリプトのメモリ使用状況を設定計算では予測できないため、スクリプトの不正な動作の影響で、過剰コミット メモリによるサーバの誤動作が発生し、OS によってプロセスが強制終了される場合があることに注意してください。
デフォルトでは、WEB は、次の想定に従ってアクティブな接続の最大数を設定します。
たとえば、32M による「サンドボックス」設定では、アクティブな接続の最大数は 8 に設定されます。
接続の最大数は max_connections プロパティを使用して、自動的に計算される値未満に制限できます。 max_connections が使用可能なシステム メモリによって課された制限を超える場合は、警告なしでトリムされます。
また、PHP プリプロセッサの割り当て制限は、上記のルールに従った計算により、スクリプトに使用できるメモリの 1/2 に設定されます。つまり、PHP は、実行されるスクリプト用のメモリを次のように制限するように設定されます。
(system_memory - 16MB - max_connections* 1MB)/2
ここで max_connections 値は、より小さい max_connections プロパティと、使用可能なメモリによって課される制限を表します(上記のとおり、1 接続当たり 2MB を想定して計算)。 max_connections プロパティがそのデフォルト値のままになる場合、PHP メモリ制限として以下の値が使用されます。
(system_memory - 16MB)/4
注: 使用される「1 スクリプト当たりの使用可能メモリの 1/2」というルールはやや楽観的です。つまり、すべてのアクティブな接続によって実際に制限に達するメモリ要求の大きい PHP スクリプトが使用されるとは限らない、またはスクリプトでは、割り当てるすべてのメモリを実際に使用するとは限らないという想定に基づいています。
ヒント: メモリ要求の大きいアプリケーションが負荷状態で誤動作を開始し(接続の切断)、使用可能なメモリを増やすことがオプションとして無効な場合は、max_connections プロパティを低い値に設定してみてください。 これにより、同時に実行される可能性があるスクリプト インスタンスの数が減少し、それぞれのインスタンスに実行用のメモリが解放されます。
このセクションでは、動的なコンテンツに対応するスクリプトの設定に役立つ情報を提供します。
固定されたディレクトリ名
HTTP サーバの起動時に、以下のディレクトリおよびファイルを WEB インスタンスのファイル システム スペース内で使用できます。 なお、任意のスクリプトまたは設定ファイルでは、これらの場所以外で絶対ディレクトリ名を使用することをお勧めしません。
/var/www/html - クライアントでは「/」 として可視状態になる Web ルート。 これは、コンテンツ ボリューム上の場所を参照し、読み取り専用です。 注: 「docs_loc」プロパティが設定される場合、/var/www/html 自体にデータ ファイルは含まれません。 docs_loc の値を追加すると、ドキュメント ルートを参照する有効なシンボリック リンクの名前が生成されます。 このディレクトリ名と /var/www/cgi-bin 名およびそれらのいずれかのサブディレクトリを Apache 設定ファイル内で使用して、追加のディレクトリ別設定をセットアップできます。 この場合は、docs_dir と scripts_dir プロパティ用の特定の設定をそのような設定ファイルで認識する必要はなくなります。
/var/www/cgi-bin - scripts_dir プロパティを使用してセットアップする場合の、スクリプト ルートのシンボリック リンク。
/mnt/fs - 「fs」端子に接続された NFS サーバによって提供される共有読み取り/書き込みファイル ストレージのルート。 接続されていない場合、/mnt/fs は空になります。
固定された Web スペースの場所
/icons/ パスは、サーバによって生成されたディレクトリ リストのストック アイコンが含まれるディレクトリのエイリアスです。 したがって、コンテンツ ボリューム内のアイコンという名前のディレクトリは表示できません。
アクセス制御
HTTP サーバはユーザ 48、グループ 48 として作動します。 CGI スクリプトは同じコンテキストで実行されます。
コンテンツ ボリューム上のファイルには、HTTP を通じて対応する資格があるすべてのユーザ用の読み取り許可が必要です。 実行可能スクリプトには、すべてのユーザ用の読み取りおよび実行許可が必要です。
Apache サーバには、ファイルへのアクセスを制御する他の手段がありますが、1 つの方法では、HTTP を通じてアクセス可能にすべきでないファイルまたはディレクトリからすべてのユーザ用の読み取り許可を削除することもできます。 リストへのアクセスを可能にすべきでないがアクセス可能なファイルまたはサブディレクトリが含まれているディレクトリでは、x ビット セットをオンのままにします。
電子メールの送信
sendmail システムは WEB 上で設定されません。 そのシステムは、このアプライアンスから電子メールを送信するために使用しないでください。 外部 SMTP サーバへのアクセスを提供するには、この機能性を提供するアプライアンスか、アプリケーション外部のサーバへの転送を行う OUT ゲートウェイに aux 端子を接続します。 Perl ベースのスクリプトを使用する場合は、SMTP メーラを使用するように設定されているという前提で、Mail::Mailer モジュールを電子メールの送信に使用できます。 どのような場合も、ユーザの SMTP メーラは SMTP サーバのホスト名として「aux」を使用するようにセットアップする必要があります。たとえば、Mail::Mailer を使用する場合は、次のように指定します。
$mailer = new Mail::Mailer 'smtp', (Server => 'aux'); $mailer->open(¥%headers); #... etc.
WEB は正規の CentOS ミラーから入手できるすべての PHP パッケージに付属しています。 読み取り専用コンテンツ ボリュームの代わりに fs 共有を使用している場合は、アプライアンスをブランチ化しなくても追加の PHP モジュールをインストールできます。
PHP モジュールのインストール方法
rpm --test -Uv php-mhash-5.3.3-14.el6_3.i686.rpm
依存性に RPM パッケージを使用している場合は、それ自身の依存性がすべて満たされていることを確認してください。 例:
rpm --test -Uv libmhash-0.9.1-1.2.el6.rf.i686.rpm
その後、fs 共有上の必要な RPM をすべてインストールします。 例:
rpm --root=/mnt/fs/php -Uv --nodeps libmhash-0.9.1-1.2.el6.rf.i686.rpm
PHP モジュールを RPM からインストールしない場合、WEB で使用される PHP のバージョンと互換性があること、および追加の lib(ldd /path/to/php/module.so)を必要としないことを確認してください。 依存性が満たされていない場合は、fs 共有に必要なソフトウェアをインストールします。
rpm --root=/mnt/fs/php -Uv php-mhash-5.3.3-14.el6_3.i686.rpm
これは、/mnt/fs/php 下に RPM をインストールします。
#!/bin/bash # die on all errors set -e # Add configuration to the main php conf dir. Path to extensions must be changed to be relative to /usr/lib/php/modules/ sed 's/extension=¥(.*¥)$/extension=..¥/..¥/..¥/..¥/mnt¥/fs¥/php¥/usr¥/lib¥/php¥/modules¥/¥1/g' /mnt/fs/php/etc/php.d/*ini > /etc/php.d/custom-php.ini # If we installed any dependent libs on the =fs= share, we need to tell ldconfig to load them # You can skip this if you did not install any dependent libs on the =fs= share echo /mnt/fs/php/usr/lib > /etc/ld.so.conf.d/custom-libs.conf ldconfig # Restart apache and check status /etc/init.d/httpd restart sleep 1 /etc/init.d/httpd status
CA AppLogic® では、Perl モジュールをインストールすることができます。
Perl モジュールのインストール方法
注: fs 共有上でのソフトウェア依存性のインストールの詳細については、PHP セクションを参照してください。 lib をインストールする場合は、それらをロードするために ldconfig に通知します。 以下の .rc.local ファイルを使用します。
#!/bin/bash # die on all errors set -e # If we installed any dependent libs on the =fs= share, we need to tell ldconfig to load them # You can skip this if you did not install any dependent libs on the =fs= share echo /mnt/fs/php/usr/lib > /etc/ld.so.conf.d/custom-libs.conf ldconfig
注: WEB アプライアンスにはビルド ツールが付属しません。したがって、アプライアンスに Perl のモジュールを構築することはできません。 事前にパッケージ済みのモジュール(RPM RPModules)を使用するか、別の構築環境(LINUX5 を使用)に Perl モジュールを構築してパッケージします。 CPAN モジュールから RPM を作成するのに cpan2rpm(http://sourceforge.net/projects/cpan2rpm/)を使用できます。
注: Perl プログラムがインストールされたモジュールを使用するようにし、インストール先の位置を提供します。 fs 共有上のインストール ディレクトリを含めるように @INC を設定するか 、このパスを @INC に追加される PERL5LIB 環境変数に設定します。
CGI として実行される Perl に関しては、次を fs 共有上の .htconf ファイルに追加し、@INC にインストール パスを追加します。
SetEnv PERL5LIB /mnt/fs/perl_mods/usr/lib/perl5/vendor_perl/5.12.2/
mod_perl として実行される Perl については、.htconf に次を追加します。
PerlSwitches -I/mnt/fs/perl_mods/usr/lib/perl5/vendor_perl/5.12.2/
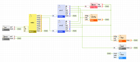
静的な Web サイト

データベースを使用する 2 層アプリケーション

データベースおよびログを使用する 2 層アプリケーション

共有ファイルシステムおよび電子メール ゲートウェイを使用する 2 層アプリケーション

拡張性のある 2 層アプリケーション

(Sample SugarCRM アプリケーションも参照)
以下の点に留意してください。
以下のオープン ソース サードパーティ ソフトウェアは、アプライアンス ベース クラス(LUX6 が WEB6 のベースクラス、LUX64 が WEB64 のベース クラス)上のソフトウェアに加えて使用されます。
|
ソフトウェア |
バージョン |
変更 |
ライセンス |
メモ |
|
apr |
1.3.9-5 |
いいえ |
Apache License v2.0 |
該当なし |
|
apr-util |
1.3.9-3 |
いいえ |
Apache License v2.0 |
該当なし |
|
audit |
2.2-2 |
いいえ |
GPLv2+ |
該当なし |
|
audit-libs |
2.2-2 |
いいえ |
GPLv2+ |
該当なし |
|
bind-libs |
9.8.2-0.10.rc1.el6_3.2 |
いいえ |
ISC |
該当なし |
|
bind-utils |
9.8.2-0.10.rc1.el6_3.2 |
いいえ |
ISC |
該当なし |
|
curl |
7.19.7-26.el6_2.4 |
いいえ |
MIT |
該当なし |
|
cyrus-sasl |
2.1.23-13 |
いいえ |
BSD |
該当なし |
|
cyrus-sasl-lib |
2.1.23-13 |
いいえ |
BSD |
該当なし |
|
dbus-libs |
1.2.24-5.el6_1 |
いいえ |
GPLv2+ または AFL |
該当なし |
|
fontconfig |
2.8.0-3 |
いいえ |
ISC |
該当なし |
|
freetype |
2.3.11-6.el6_2.9 |
いいえ |
FTL |
該当なし |
|
gamin |
0.1.10-9 |
いいえ |
LGPLv2.1 |
該当なし |
|
gd |
2.0.35-10 |
いいえ |
GD |
該当なし |
|
gmp |
4.3.1-7.el6_2.2 |
いいえ |
LGPLv2+、GLPv3、および LGPLv3+ |
該当なし |
|
gnutls |
2.8.5-4.el6_2.2 |
いいえ |
LGPLv2.1 |
該当なし |
|
hesiod |
3.1.0-19 |
いいえ |
ISC |
該当なし |
|
httpd |
2.2.15-15 |
いいえ |
Apache License v2.0 |
該当なし |
|
hwdata |
0.233.7-8 |
いいえ |
GPLv2 |
該当なし |
|
kbd |
1.15-11 |
いいえ |
GPLv2 |
該当なし |
|
libc-client |
2007e-11 |
いいえ |
Apache License v2.0 |
該当なし |
|
libgcrypt |
1.4.5- 9.el6_2.2 |
いいえ |
LGPLv2+ |
該当なし |
|
libgpg-error |
1.7-4 |
いいえ |
LGPLv2.1+ |
該当なし |
|
libidn |
1.18-2 |
いいえ |
LGPLv2.1+、GPLv3+、および GFDL |
該当なし |
|
libjpeg |
6b-46 |
いいえ |
IJG |
該当なし |
|
libpng |
1.2.49-1.el 6_2 |
いいえ |
zlib |
該当なし |
|
libusb |
0.1.12-23 |
いいえ |
LGPLv2.0+ |
該当なし |
|
libutempter |
1.1.5-4.1 |
いいえ |
LGPLv2 |
該当なし |
|
libX11 |
1.3-2 |
いいえ |
MIT |
該当なし |
|
libXau |
1.0.5-1 |
いいえ |
MIT |
該当なし |
|
libxml2 |
2.7. 6-4.el6_2.4 |
いいえ |
MIT |
該当なし |
|
libXpm |
3.5.8-2 |
いいえ |
MIT |
該当なし |
|
libxslt |
1.1.26-2 |
いいえ |
MIT |
該当なし |
|
lm_sensors-libs |
3.1.1-10 |
いいえ |
GPLv2 |
WEB64 のみ |
|
mailcap |
2.1.31-2 |
いいえ |
パブリックドメインと MIT |
該当なし |
|
mod_auth_mysql |
3.0.0-11.el6_0.1 |
いいえ |
ASL 1.1 |
該当なし |
|
mod_perl |
2.0.4-10 |
いいえ |
Apache License v2.0 |
該当なし |
|
mod_rpaf |
0.5 |
はい |
Apache Group |
該当なし |
|
mod_ssl |
2.2.15-15 |
いいえ |
Apache License v2.0 |
該当なし |
|
mysql |
5.1.61 |
いいえ |
GPLv2 |
該当なし |
|
mysql-libs |
5.1.61 |
いいえ |
GPLv2 |
該当なし |
|
net-snmp |
5.5-37 |
いいえ |
BSD |
該当なし |
|
net-snmp-libs |
5.5-37 |
いいえ |
BSD |
該当なし |
|
ntsysv |
1.3.49-3.2 |
いいえ |
GPLv2 |
該当なし |
|
pciutils-libs |
3.1.4-11 |
いいえ |
GPLv2+ |
該当なし |
|
perl |
5.12.2-1 |
いいえ |
Artistic |
該当なし |
|
Perl-AppConfig |
1.65-1 |
いいえ |
Artistic |
該当なし |
|
perl-BSD-Resource |
1.28-1 |
いいえ |
Artistic |
該当なし |
|
perl-DBD-MySQL |
3.0007-2 |
いいえ |
Artistic |
該当なし |
|
perl-DBD-Pg |
1.49-2 |
いいえ |
Artistic |
該当なし |
|
Perl-DBD-SQLite |
1.29-1 |
いいえ |
Artistic |
該当なし |
|
perl-DBI |
1.615-1 |
いいえ |
Artistic |
該当なし |
|
perl-DBIx-Simple |
1.32-1 |
いいえ |
Artistic |
該当なし |
|
perl-GD |
2.35-1 |
いいえ |
Artistic |
該当なし |
|
perl-Mailtools |
1.77-1 |
いいえ |
Artistic |
WEB64 のみ |
|
perl-Pod-POM |
0.17-1.2 |
いいえ |
Artistic |
該当なし |
|
perl-String-CRC32 |
1.4-2 |
いいえ |
パブリック ドメイン |
該当なし |
|
perl-Template-Toolkit |
2.15-1 |
いいえ |
Artistic |
該当なし |
|
perl-Text-Autoformat |
1.13-1.2 |
いいえ |
Artistic |
該当なし |
|
perl-Text-Reform |
1.11-1.2 |
いいえ |
Artistic |
該当なし |
|
perl-TimeDate |
1.16-5 |
いいえ |
Artistic |
WEB64 のみ |
|
perl-Unicode-String |
2.09-1 |
いいえ |
Artistic |
該当なし |
|
perl-Digest-SHA1 |
2.11-1.2.1 |
いいえ |
Artistic |
WEB6 のみ |
|
php |
5.3.3-3 |
いいえ |
PHP v3.01 |
該当なし |
|
php-cli |
5.3.3-14 |
いいえ |
PHP v3.01 |
該当なし |
|
php-bcmath |
5.3.3-14 |
いいえ |
PHP v3.01 |
該当なし |
|
php-common |
5.3.3-14 |
いいえ |
PHP v3.01 |
該当なし |
|
php-dba |
5.3.3-14 |
いいえ |
PHP v3.01 |
WEB64 のみ |
|
php-gd |
5.3.3-14 |
いいえ |
PHP v3.01 |
該当なし |
|
php-intl |
5.3.3-14 |
いいえ |
PHP |
該当なし |
|
php-imap |
5.3.3-14 |
いいえ |
PHP v3.01 |
該当なし |
|
php-ldap |
5.3.3-14 |
いいえ |
PHP v3.01 |
該当なし |
|
php-mysql |
5.3.3-14 |
いいえ |
PHP v3.01 |
該当なし |
|
php-mssql |
5.3.3-1 |
いいえ |
PHP v3.01 |
該当なし |
|
php-odbc |
5.3.3-14 |
いいえ |
PHP v3.01 |
該当なし |
|
php-pdo |
5.3.3-14 |
いいえ |
PHP v3.01 |
該当なし |
|
php-pear |
5.3.3-14 |
いいえ |
PHP v3.0 |
該当なし |
|
php-pgsql |
5.3.3-14 |
いいえ |
PHP v3.01 |
該当なし |
|
php-snmp |
5.3.3-14 |
いいえ |
PHP v3.01 |
該当なし |
|
php-soap |
5.3.3-14 |
いいえ |
PHP v3.01 |
該当なし |
|
php53-xml |
5.3.3-14 |
いいえ |
PHP v3.01 |
該当なし |
|
php53-xmlrpc |
5.3.3-14 |
いいえ |
PHP v3.01 |
該当なし |
|
php53-mbstring |
5.3.3-14 |
いいえ |
PHP v3.01 |
該当なし |
|
pkgconfig |
0.23-9.1 |
いいえ |
GPLv2 |
該当なし |
|
postgresql90-libs |
9.0.8-1PGDG |
いいえ |
BSD |
該当なし |
|
procmail |
3.22-25.1 |
いいえ |
GPLv2 |
WEB5、WEB64 |
|
rsync |
3.0.6-9 |
いいえ |
GPLv2 |
該当なし |
|
samba-client |
3.5.10-125 |
いいえ |
GPLv2 |
該当なし |
|
samba-common |
3.5.10-125 |
いいえ |
GPLv2 |
該当なし |
|
sendmail |
8.14.4-8 |
いいえ |
Sendmail |
該当なし |
|
sudo |
1.7.4p5-13.el6_3 |
いいえ |
BSD |
該当なし |
|
telnet |
0.17-47 |
いいえ |
BSD |
該当なし |
|
unixODBC |
2.2.14-11 |
いいえ |
LGPLv2.1 |
該当なし |
|
unzip |
6.0-1 |
いいえ |
BSD |
該当なし |
|
zip |
3.0-1 |
いいえ |
BSD |
該当なし |
|
libedit |
2.11.4.20080712cvs.1 |
いいえ |
BSD |
該当なし |
|
libtool-ltdl |
2.2.6-15.5 |
いいえ |
LGPLv2.1 |
該当なし |
|
freetds |
0.91-1 |
いいえ |
LGPLv2.1 |
該当なし |
|
Copyright © 2013 CA.
All rights reserved.
|
|