Ultima versione: 2.0.2-1

In breve |
|
|
Catalogo |
Sistema |
|
Categoria |
Server Web |
|
Volumi dell'utente |
sì |
|
Num. minimo memoria |
1376 MB |
|
OS |
Linux |
|
Vincoli |
no |
|
Domande/commenti |
|
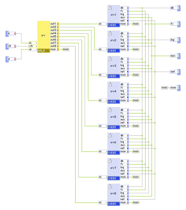
WEBx8 è un server Web scalabile che consiste di un'utilità di bilanciamento del carico singola (HLB) e di otto server Web (WEB5).
WEBx8 serve contenuto Web statico ed esegue gli script da un volume di contenuto di sola lettura configurabile di utente. I percorsi ai documenti e agli script sono configurabili in modo che lo stesso volume venga condiviso fra più server Web e/o altre appliance che servono contenuto diverso.
WEBx8 ha tre terminali di output generici che accedono ai servizi esterni dagli script sul volume di contenuto. Il terminale DB è utilizzato per accedere a un database MySQL; il terminale FS è utilizzato per accedere all'archiviazione dei file condivisi (mediante NFS); e il terminale AUX permette l'invio di messaggi di posta elettronica a un server SMTP.
È possibile utilizzare il terminale di log per connettere WEBx8 a un file system condiviso sul quale WEBx8 può archiviare i propri log.
La configurazione del server Web è fornita attraverso proprietà. Le proprietà sono state progettate per coprire la maggior parte degli utilizzi in un sistema facile da configurare sul quale sarà necessario modificare soltanto poche impostazioni di default. È possibile eseguire configurazioni avanzate includendo i file del volume del contenuto nel formato di configurazione di Apache. È possibile specificare ulteriormente l'accesso e le opzioni del contenuto e dei file script mediante i file .htaccess nelle directory di contenuto.
Se le caratteristiche consentite dall'appliance di WEBx8 non soddisfanno le sue esigenze, contattare il Supporto tecnico per discutere le opzioni possibili. Oltre al catalogo, siamo in grado di fornire appliance su misura.
|
Risorsa |
Minimo |
Massimo |
Predefinito |
|
CPU |
0.9 |
144 |
1.2 |
|
Memoria |
1,343 GB |
288 GB |
1,5 GB |
|
Larghezza di banda |
9 Mbps |
18 Gbps |
1.6 Gbps |
|
Nome |
Dir |
Protocol |
Description |
|
in |
in |
HTTP |
Serve le richieste HTTP che vengono dai client Web. Serve HTTP/1.1 e i protocolli 1.0. |
|
ctl |
in |
HTTP |
Terminale di controllo che è usato per abilitare/disabilitando gli output e recuperare lo stato del terminale di output dall'utilità di bilanciamento del carico. |
|
ui |
in |
HTTP |
Espone una GUI Web che contiene le statistiche di runtime dell'utilità di bilanciamento di carico. |
|
db |
out |
Mysql |
Accesso a un server MySQL. L'uso è definito indipendentemente dagli script che risiedono sul volume di contenuto (se del caso). Questo terminale può essere lasciato non connesso se non è utilizzato. |
|
fs |
out |
NFS |
Accesso a un file system di rete per l'archiviazione dei file condivisi, consentendo un accesso ai file di scrittura/lettura su NFS. L'uso è definito indipendentemente dagli script che risiedono sul volume di contenuto (se del caso). Il software sul volume di contenuto "vede" il file system remoto come /mnt/fs nello spazio del file system dell'appliance. Questo terminale può essere lasciato non connesso se non è utilizzato. Il server connesso deve avere una condivisione di lettura/scrittura denominata /mnt/data. |
|
log |
out |
CIFS |
Accesso a un file system di rete basato su CIFS per l'archiviazione dei log IIS. Questo terminale può essere lasciato non connesso se non è utilizzato. Il server connesso deve permettere accessi anonimi e avere una condivisione di lettura/scrittura denominata shared. |
|
aux |
out |
Qualsiasi |
Accesso a un server SMTP per l'invio della posta elettronica in uscita. L'uso è definito indipendentemente dagli script che risiedono sul volume di contenuto (se del caso). Nota: Sendmail non è configurato sull'appliance; le applicazioni che devono inviare messaggi di posta elettronica dovrebbero utilizzare SMTP direttamente usando aux come nome di host di destinazione. Per gli script di Perl CGI è possibile utilizzare il modulo di Mail::Mailer. |
|
net |
out |
Qualsiasi |
Output di gateway per l'accesso di subnet. |
|
mon |
out |
CCE |
Invia le statistiche sull'utilizzo delle risorse e le prestazioni. |
|
Volume |
Description |
|
contenuto |
Volume di lettura/scrittura che fornisce il contenuto Web (documenti, media e script) serviti da WEBx8. |
Il volume può fornire contenuto statico e/o dinamico con una directory configurabile facoltativa dedicata per gli script. È possibile configurare anche l'esecuzione di script da qualsiasi directory mediante un modello di nome file.
Oltre al contenuto, la directory di documento (configurata dalla proprietà docs_dir) sul volume di contenuto può contenere anche i seguenti file di configurazione facoltativi, tutti nel formato di configurazione Apache standard (consultare http://httpd.apache.org/docs/2.0):
|
Nome di proprietà |
Tipo |
Description |
|
host_name |
Stringa |
Nome host del sito Web. WEBx8 usa questo nome per visualizzare le pagine generate automaticamente e per costruire URL assoluti, ad esempio, negli indirizzamenti generati dal server (ad esempio, come può essere impostato in un file di configurazione personalizzato installato sul volume di contenuto). Anche se gli indirizzamenti espliciti vengono raramente configurati, la richiesta di una directory senza '/' risulta in un reindirizzamento al client, con '/' aggiunto; questo reindirizzamento userà il valore di host_name, se impostato. |
|
admin_email |
Stringa |
Indirizzo di posta elettronica per l'amministratore di server. WEBx8 usa questo nome per visualizzarlo nelle pagine generate automaticamente. |
|
content_on_fs |
Stringa |
Specifica se il contenuto è relativo al file system nel terminale FS oppure se è sul volume di contenuto. I valori consentiti sono ON e OFF. Se impostato su ON, tutto il contenuto è relativo al file system sul terminale FS. Se impostato su OFF, il contenuto è sul volume di contenuto. |
|
docs_dir |
Stringa |
Directory principale sul volume di contenuto remoto dove si trovano i documenti da servire. Ad esempio, /mydocs. Se docs_dir viene impostato sulla stringa vuota, viene utilizzata la directory principale del volume di contenuto. |
|
docs_loc |
Stringa |
Una posizione facoltativa entro lo spazio di nome visibile di client dove il contenuto dovrebbe apparire ("lo spazio di nome visibile al client" è la parte di un URL o di ciò che viene visualizzato a destra del nome host in un URL, incluso /). Se impostato su un valore non vuoto, questo diventa la radice dello spazio di nome, come vista dal client, in cui è visualizzata la directory principale di documento. Ad esempio, se docs_loc è impostato su sottospazio/campioni, una richiesta HTTP per /subspace/samples/file1.html servirà file1.html dalla directory principale del documento. Una richiesta per una posizione esterna a /sottospazio/campioni restituisce un errore, tranne se è una richiesta per uno script nella directory di script (vedere scripts_loc). |
|
scripts_dir |
Stringa |
Directory principale sul volume di contenuto in cui sono localizzati gli script di CGI. Per esempio, può essere /script. Questo dovrebbe essere impostato su un valore non vuoto, che si riferisce a una directory sul volume di contenuto che contiene solo script eseguibili (non impostare "/"). |
|
scripts_loc |
Stringa |
La posizione nello spazio Web in cui la directory di script specificata da scripts_dir dovrebbe essere visibile. Deve essere impostato su una stringa non vuota per abilitare l'uso di una directory di script dedicata. Un valore tipico può essere /bin di cgi. Non aggiungere slash a questo valore. |
|
logs_enabled |
Stringa |
Controlli se WEBx8 invierà i suoi log fuori del terminale di log. I valori consentiti sono ON e OFF. Se impostato su ON, è necessario connettere il terminale di log. Se questo viene impostato su off, nessun log di accesso viene usato e il log di errori viene scritto su un file del file system principale dei server Web, ruotato ogni settimana, e 4 settimane di log sono mantenuti (/var/log/httpd/error_log*). Impostazione predefinita: OFF |
|
logs_base_dir |
Stringa |
Directory in cui sono archiviati i log di WEBx8. Questa proprietà non ha effetto se client_cert è impostato su off. Predefinito: / |
|
error_log_level |
Stringa |
Livello di gravità di messaggi da scrivere al log di errore. I valori autorizzati sono debug, info, nota, avviso, errore, crit, allerta e emerg. debug scrive la maggior parte dei messaggi, emerg scrive soltanto i messaggi di emergenza. Predefinito: avviso |
|
srv2_standby |
Numero intero |
Specifica se il secondo server Web è in modalità di Standby. Se diverso da zero, il secondo server Web è in modalità di Standby, in caso contrario non è in modalità di Standby. |
|
srv3_standby |
Numero intero |
Specifica se il terzo server Web è in modalità di Standby. Se diverso da zero, il terzo server Web è in modalità di Standby, in caso contrario non è in modalità di Standby. |
|
srv4_standby |
Numero intero |
Specifica se il quarto server Web è in modalità di Standby. Se diverso da zero, il quarto server Web è in modalità di Standby, in caso contrario non è in modalità di Standby. |
|
srv5_standby |
Numero intero |
Specifica se il quinto server Web è in modalità di Standby. Se diverso da zero, il quinto server di Web è in modalità di Standby, in caso contrario non è in modalità di Standby. |
|
srv6_standby |
Numero intero |
Specifica se il sesto server Web è in modalità di Standby. Se diverso da zero, il sesto server Web è in modalità di Standby, in caso contrario non è in modalità di Standby. |
|
srv7_standby |
Numero intero |
Specifica se il settimo server Web è in modalità di Standby. Se diverso da zero, il settimo server Web è in modalità di Standby, in caso contrario non è in modalità di Standby. |
|
srv8_standby |
Numero intero |
Specifica se l'ottavo server Web è in modalità di Standby. Se diverso da zero, l'ottavo server Web è in modalità di Standby, in caso contrario non è in modalità di Standby. |
|
fuso orario |
Stringa |
Specifica il fuso orario usato nell'appliance. Se questa proprietà è vuota, il fuso orario non è modificato e viene lasciato com'è. Un elenco dei fusi orari supportati è disponibile qui. Predefinito: vuoto |
Importante: Tutte le proprietà di stringa enumerate non sono sensibili alle maiuscole/minuscole (lettere minuscole). Tutte le proprietà di stringa enumerate sono sensibili alle maiuscole/minuscole.
Queste sono proprietà aggiuntive che generalmente non dovrebbero essere configurate. Possono essere utilizzate per sintonizzare WEBx8 in circostanze non standard. Le proprietà che influenzano l'operazione dell'unità di bilanciamento del carico sono precedute da lb, ad esempio, lb_mode.
|
Nome di proprietà |
Tipo |
Description |
|
lb_mode |
Stringa |
Specifica la modalità di operazione e un modo per utilizzare il cookie della sessione denominato per l'identificazione della sessione. I valori validi sono: |
|
lb_cookie_name |
Stringa |
Il nome del cookie usato per identificare una sessione. Per le modalità passive (passive e synch - consultare la proprietà di modalità di seguito), ovvero il nome del cookie usato dai server di backend connessi ad out1 - out4 ai fini dell'identificazione delle sessioni del client. Per la modalità di inserimento, questo è il nome del cookie che HALB dovrebbe inserire nelle risposte HTTP in modo che ciascun client "rimanga" con un solo server. Se questa proprietà è impostata sul valore vuoto, non viene tenuta traccia della sessione e tutte le richieste sono distribuite nella tipica modalità round-robin. Ignorato per la modalità di origine. |
|
lb_cookie_check_length |
Int |
Definisce il numero di byte dal valore di cookie usato come codice unico in modalità operativa passiva per combinare la sessione al server Web di backend. Il valore predefinito di 10 è in genere sufficiente per tutte le comune applicazioni PHP e java. Questo valore deve essere sempre uguale o inferiore alla lunghezza del valore del cookie. |
|
lb_max_connections |
numero intero |
Il numero massimo di connessioni attive concorrenti che l'utilità di bilanciamento del carico gestisce. Quando questo numero viene raggiunto, le nuove connessioni sono comunque accettate ma la loro elaborazione è ritardata fino alla chiusura di un'altra connessione. All'avvio, l'utilità di bilanciamento del carico determina automaticamente il numero massimo di connessioni in base alla memoria disponibile, lo confronta al valore di questa proprietà e usa il valore inferiore. Se questa proprietà è pari a 0, allora viene usato il valore calcolato. Né la memoria disponibile, né un'impostazione esplicita di questa proprietà hanno un effetto diretto sulla velocità effettiva dell'utilità di bilanciamento del carico o sulla sua velocità di richiesta massima. Se si imposta un numero basso (o se la memoria disponibile è poca), la risposta è influenzata soltanto se i server di backend stanno eseguendo lunghe operazioni per ogni richiesta (ad es., ricerche di database) e molte richieste rimangono aperte allo stesso tempo. |
|
lb_backup_outputs |
Stringa |
Un elenco di output delimitato da spazio o virgola (out1 - out4) che sono considerati backup. Il traffico è diretto ai server di backup soltanto se nessun server di backend è disponibile. Lo scopo di tali server di backup è di notificare i client che qualcosa non va oppure di reindirizzarli, piuttosto che immettere errori di timeout o di backend non disponibile. |
|
lb_healthcheck_url |
Stringa |
L'URL usato per eseguire l'healthcheck dei server Web di backend nei metodi di healthcheck http_get e http_head dei server Web. Può essere specificato come URL completo (http://host.name/file/to/check/for.php) o come percorso relativo (/file/to/check/for.php). Se specificato come URL, HALB usa il protocollo HTTP/1.1 mentre esegue gli healthcheck usando uno nome di host estratto da UR, in un'intestazione "host:". Questo permette l'utilizzo di host virtuali. Se specificato come percorso relativo, HALB usa il protocollo HTTP/1.0 e controlla il documento specificato da questa proprietà. Se questa proprietà è vuota, l'utilità di bilanciamento del carico controlla la radice predefinita '/' usando il protocollo HTTP/1.0. |
|
lb_healthcheck_agent |
Stringa |
La stringa usata come identificatore di agente per i metodi di healthcheck http_get e http_head. Se vuoto, viene usato "HALB-health-check". |
|
lb_healthcheck_method |
Stringa |
Il metodo usato per l'healthcheck dei server Web di backend. |
|
lb_healthcheck_regexp |
Stringa |
Una stringa di testo usata con la modalità di healthcheck http_get. I valori abbreviati o comuni (ad esempio: "OK") potrebbero causare false corrispondenze positive. Questa stringa è un'espressione regolare di Perl. Per maggiori dettagli sulle espressioni regolari di Perl, andare qui. |
|
lb_healthcheck_interval |
Int |
Intervallo tra gli healthcheck dei server Web di backend (specificati in secondi). |
|
lb_timeout |
numero intero |
Timeout in secondi alla scadenza delle sessioni inattive. Se impostato su zero, le sessioni inattive non scadono. Se impostato su un valore diverso da zero, le sessioni inattive riprese dopo i secondi di timeout sono considerate vecchie e le richieste recanti il cookie 'forgotten' sono trattate come se non avessero alcun cookie e sono reindirizzate a un server casuale mediante il metodo usuale round-robin. Questa proprietà è valida esclusivamente per la modalità passiva ed è ignorata nelle altre modalità. |
|
lb_client_timeout |
Int |
Timeout in secondi di attesa di una richiesta da un client dopo che è stata stabilita una connessione. |
|
lb_server_timeout |
Int |
Timeout in secondi di attesa di una risposta da un server Web di backend dopo che è stata stabilita una connessione. |
|
lb_conn_timeout |
Int |
Timeout in secondi per stabilire una connessione TCP. Ciò include gli healthcheck. Prestare particolare attenzione a questa impostazione perché, se il carico è elevato, gli healthcheck vanno in timeout perché il valore non è abbastanza ridotto, e l'utilità di bilanciamento del carico inizia a disabilitare gli output. Si raccomanda di non impostarlo al di sotto di 20 secondi. |
|
lb_username |
Stringa |
Nome utente di accesso alla GUI dell'utilità di bilanciamento del carico mediante il terminale UI. Se vuoto, non c'è autenticazione. |
|
lb_password |
Stringa |
Password per accedere alla GUI dell'utilità di bilanciamento del carico mediante il terminale UI. La password è ignorata se il nome utente è vuoto. |
|
lb_ctl_port |
Int |
Porta usata per accedere all'interfaccia di controllo del servizio Web mediante il terminale CTL. |
|
lb_ui_port |
Int |
Porta usata per accedere alla GUI delle statistiche di runtime dell'utilità di bilanciamento del carico mediante il terminale UI. |
|
cgi_ext |
Stringa |
Definisce i suffissi di nome file per gli script di CGI come elenco separato da spazio. Questo è usato per specificare quali file trattare come script di CGI eseguibili (in qualsiasi directory) e può essere usato come alternativa per specificare una directory di script comune - consultare le proprietà scripts_dir e scripts_loc. Predefinito: .cgi |
|
shared_perl_ext |
Stringa |
Definisce i suffissi di nome file per gli script di Perl come elenco separato da spazio. Questo viene usato per specificare i file da trattare come script di Perl da eseguire con mod_perl. Un'estensione che corrisponde a una esistente in cgi_ext prevale sull'uso di CGI per quell'estensione e lo configura per l'esecuzione in mod_perl. Il modulo Perl in-processo è configurato per eseguire gli script con le estensioni specificate nella modalità di compatibilità di CGI - la maggior parte degli script di Perl progettati per essere eseguito come processi CGI dovrebbe funzionare se impostati anche come script in-processo. Nota: è importante controllare gli script per la corretta inizializzazione di tutte le variabili di file, ad esempio, con l'uso rigido; avvisi di uso; perché tutti gli script eseguiti da mod_perl sono eseguiti senza riavviare l'interprete di Perl. In caso di dubbi sulla contabilità degli script con mod_perl, consultare la documentazione di mod_perl: http://perl.apache.org/docs/index.html. |
|
index_files |
Stringa |
Elenco ordinato e separato da spazio per usare una pagina indice di directory qualora il client richieda un URL che fa riferimento a un nome di directory. |
|
use_htaccess |
Stringa |
Specifica se abilitare l'uso dei file .htaccess per l'intera struttura di documento. Questo è disattivato per impostazione predefinita e dovrebbe essere usato soltanto se si ha una struttura di directory di contenuto che richiede il controllo dettagliato delle opzioni di server; è troppo complicato da configurare usando un set di sezioni in un file di configurazione comune, o se si ha un volume di contenuto pre-configurato che usa già .htaccess e vuole evitare la ridisposizione. Se le opzioni di config sono necessarie soltanto per la radice del documento, mettere le impostazioni nella directory principale del documento nel file .htconf - verranno applicate esattamente allo stesso modo di .htacces, tranne quando il file è letto una volta all'avvio. Impostazione predefinita: OFF |
|
max_connections |
Numero intero |
Numero massimo di connessioni attive concorrenti che ciascun server Web è in grado di gestire. Se questo limite è raggiunto, le richieste di connessione aggiuntive sono messe in coda (fino a un limite di 511) ed elaborate mentre le connessioni attualmente attive sono chiuse. Questo valore dovrebbe essere aumentato solamente se si prevede che WEBx8 servirà un grande numero di richieste che devono accedere a una fonte di dati esterna (ad esempio, le query di database lunghe). Il numero attuale di connessioni concorrenti può essere limitato a un valore inferiore a quello impostato per questa proprietà, se non vi è abbastanza memoria di sistema. Consultare la sezione Uso della memoria riportata di seguito. Non è possibile impostare il valore di max_connections a oltre 256. |
|
persistent_connections |
Stringa |
Controlla se WEBx8 consente ai client di chiedere più di un documento sulla stessa connessione. I valori consentiti sono ON e OFF. Può essere necessario disabilitare le connessioni persistenti soltanto se si hanno problemi con i client che non supportano HTTP/1.1 correttamente ma non rientrano in HTTP/1.0. Predefinito: on |
|
idle_timeout_sec |
Numero intero |
Timeout, in secondi, per mantenere una connessione client aperta quando non vi è trasmissione di richieste o di risposte. Questa proprietà è usata solamente se persistent_connections è on. Se questo timeout è mantenuto basso, le connessioni dimenticate vengono fatte cadere rapidamente. Valore predefinito: 15 |
|
data_timeout_sec |
Numero intero |
Timeout, in secondi, per ricevere o inviare più dati quando un trasferimento di dati è avviato ma non concluso. Questo timeout consente a WEBx8 di fare cadere le connessioni che sono state dimenticate pur permettendo i ritardi durante il trasferimento. Valore predefinito: 300 |
|
default_charset |
Stringa |
Il set di caratteri predefinito per riportare i documenti di tipo testo/HTML o testo/semplice. La proprietà dovrebbe essere impostata sul nome di un set di caratteri o su off (disabililitare l'invio di un'intestazione di caratteri nelle risposte HTTP). Per alcune impostazioni di browser, questa proprietà può prevalere il set di caratteri fornito dall'autore dei documenti HTML e si raccomanda soltanto se ci sono documenti che non contengono una specifica di caratteri valida e si sa in anticipo che tutti i documenti sono serviti da WEBx8 nello stesso set di caratteri. I valori di esempio tipici possono essere iso-8859-1 o UTF-8. Predefinito: Inattivo |
|
info_level |
Stringa |
Controlla quante informazioni WEBx8 rivela ai client Web (nelle risposte di HTTP e nelle pagine generate automaticamente). I valori consentiti sono completi (soprattutto info), os, minor, major, prod (info minime). Come misura di protezione, si raccomanda di divulgare il minor numero di informazioni. Default prod |
|
server_signature |
Stringa |
Controlla se WEBx8 aggiunge una linea di firma di server in fondo a tutte le pagine generate (ad esempio, sulle pagine di errore). I valori consentiti sono ON e OFF. La quantità di informazioni che WEBx8 include nella firma è controllata da info_level. Predefinito off (nessuna firma). |
|
env |
Stringa |
Usato per passare le impostazioni a WEBx8 come coppia name=value. Predefinito: (vuoto) |
Importante: Tutte le proprietà di stringa enumerate non sono sensibili alle maiuscole/minuscole (lettere minuscole). Tutte le proprietà di stringa enumerate sono sensibili alle maiuscole/minuscole.
Ciascun server WEB in WEBx8 si configura automaticamente per operare con vari tipi di memoria disponibili e adattarsi ad applicazioni di dimensioni e carico diverso. Nonostante ciò, il calcolo della configurazione non può prevedere l'uso della memoria da parte degli script di contenuto dinamico che potrebbero essere installati sul volume di contenuto. Uno script anomalo potrebbe causare un malfunzionamento del server sovra-assegnando la memoria e facendo in modo che il sistema operativo interrompa i processi.
Per impostazione predefinita, WEB configura il numero massimo di connessioni attive supponendo:
Ad esempio, nella configurazione "sandbox" con 32 M, il numero massimo di connessioni attive sarà impostato su 8.
È possibile limitare il numero massimo di connessioni al di sotto del valore calcolato automaticamente mediante la proprietà max_connections. Se max_connections è al di sopra del limite imposto dalla memoria di sistema disponibile, il limite è ridotto senza avviso.
Inoltre, il limite di allocazione del pre-processore PHP è fissato a metà della memoria disponibile per gli script, calcolato in base alle regole di sopra; questo significa che PHP è configurato per limitare la memoria per uno script eseguito a
(system_memory - 16 MBYTE - max_connections * 1 MBYTE)/2
dove il valore max_connections è il minore delle proprietà max_connections e il limite imposto dalla memoria disponibile (calcolato in base a 2 MB per connessione, come descritto sopra). Se la proprietà max_connections è lasciata al suo valore predefinito, il valore per il limite di memoria PHP sarà il seguente:
(system_memory - 16 MB)/4
Nota: la regola "metà della memoria disponibile per script" utilizzata è alquanto ottimista perché presuppone che: non tutte le connessioni attive useranno uno script PHP "affamato" che di fatto raggiunge il limite; oppure che gli script non useranno tutta la memoria loro allocata.
SUGGERIMENTO: se un'applicazione a uso intensivo di memoria non funziona correttamente in situazioni di carico (interruzioni nella connessione) e non è possibile aumentare la memoria disponibile, impostare la proprietà max_connections su un valore più basso. Ciò ridurrà il numero possibile di istanze di script eseguite allo stesso tempo, fornendo più memoria a ciascuna istanza.
Questa sezione fornisce informazioni utili per la configurazione degli script che servono contenuto dinamico.
Nomi di directory fissi
All'avvio del server HTTP, le directory e i file di seguito sono disponibili nello spazio di file system di ogni istanza WEB. Si sconsiglia di utilizzare nomi di directory assoluti al di fuori di queste posizioni in uno script o in un file di configurazione.
/var/www/html - Web principale, visibile come '/' al client. Fa riferimento a una posizione sul volume di contenuto ed è di sola lettura. Nota: se viene impostata la proprietà docs_loc, non saranno presenti file di dati all'interno di /var/www/html. Se si aggiunge il valore docs_loc, viene prodotto il nome di un link simbolico valido che si riferisce al documento principale. È possibile utilizzare il nome della directory e il nome /var/www/cgi-bin oppure una qualsiasi delle loro sottodirectory nei file di configurazione di Apache per definire ulteriori impostazioni per directory. In questo modo, il file di configurazione non devono riconoscere l'impostazione specifica delle proprietà docs_dir e scripts_dir.
il link simbolico /var/www/cgi-bin - agli script principale, se impostato usando la proprietà scripts_dir.
/mnt/fs - la radice dell'archiviazione di file di lettura/scrittura condivisi forniti da un server NFS connesso al terminale FS. Se uno non è connesso, /mnt/fs sarà vuoto.
Posizioni di spazio Web fisse
Il percorso /icone/ è creato con alias in una directory contenente le biblioteche di icone per gli elenchi di directory generati dal server. Di conseguenza, la directory di nome icone nel volume di contenuto non sarà visibile.
Controllo accesso
Il server HTTP opera come utente 48, gruppo 48. Gli script CGI operano nello stesso contesto.
I file sul volume di contenuto dovrebbero essere di lettura consentita per tutti gli utenti, per poter servire mediante HTTP. Gli script eseguibili dovrebbero essere di lettura ed esecuzione consentita per tutti gli utenti.
Benché il server Apache abbia altri mezzi per controllare l'accesso ai file, è possibile rimuovere l'autorizzazione di lettura per tutti gli utenti per i file o le directory che non si vogliono rendere accessibili mediante HTTP. Lasciare impostato il bit x per le directory di cui non si vuole rendere accessibile l'elenco, ma che contengono file o sottodirectory che sono accessibili.
Invio di posta elettronica
Il sistema Sendmail non è configurato su WEBx8. Non utilizzarlo per inviare messaggi di posta elettronica da questa appliance. Se si usano gli script basati su Perl, è possibile utilizzare il modulo Mail::Mailer per inviare messaggi di posta elettronica, se questo è configurato per l'uso in un mailer Smtp. In tutti i casi, SMTP mailer dovrebbe essere impostato per utilizzare AUX come nome host del server SMTP, per esempio, se si usa Mail::Mailer:
$mailer = new Mail::Mailer 'smtp', (Server => 'aux'); $mailer->open(\%headers); #... etc.
Di seguito è riportato l'interno di WEBx8.

Applicazione a due livelli scalabile

Limiti noti
| Copyright © 2012 CA. Tutti i diritti riservati. |
|