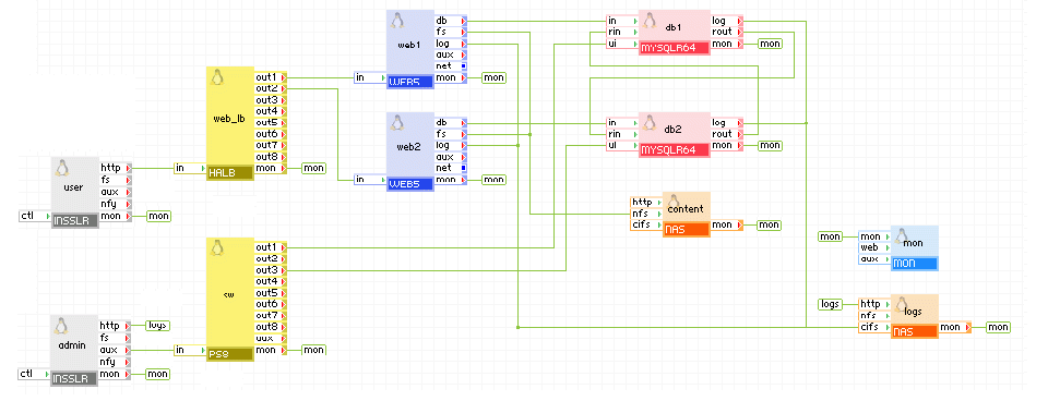
下图显示 MYSQLR64 组件在 Web 应用中的典型用法,其中在主-主复制方案中将数据库复制到两个服务器。 在此用例中,应用在负载均衡操作期间使用 WEB 和 MYSQLR64 服务器。 此外,在其中一个 WEB/MYSQLR64 实例失败的情况下,其他 WEB/MYSQLR64 实例可用于防止应用停机。

正在使用的组件:
客户端请求到达用户网关。 该网关将请求转发给 web_lb 负载均衡器,后者将请求定向到 Web 服务器 web1 和 web2 中的一个。 web1 使用 db1 数据库组件,web2 使用 db2 数据库组件。 连接 db1 和 db2,以复制 Web 服务器对数据库进行的更新。 每个 MYSQLR64 组件都将偏移(与其 server_id 相等)用于其 auto_increment 列,以防出现重复条目。
通过端口 8080 和 8081 上的 admin 网关,可以对 db1 和 db2 进行 Web 访问。
db1、db2、web1 和 web2 组件配置为在由 logs 公开的共享的根目录内存储其日志文件。 此外,管理员还可以通过 admin 网关查看日志文件。
示例属性配置(未列出的属性应保留为默认值):
db1
|
属性名 |
值 |
说明 |
|
auto_create |
1 |
如果卷为空,则创建数据库。 |
|
error_log_filename |
db1.error |
要在日志数据卷上存储的错误日志文件的名称。 |
|
error_log_level |
error |
错误日志记录级别 |
|
server_id |
1 |
主服务器(不一定是 1,应与从服务器上的 server_id 不同) |
|
rpl_mode |
master_and_slave |
主服务器和从服务器 |
db2
|
属性名 |
值 |
说明 |
|
auto_create |
1 |
如果卷为空,则创建数据库。 |
|
error_log_filename |
db2.error |
要在日志数据卷上存储的错误日志文件的名称。 |
|
error_log_level |
error |
错误日志记录级别 |
|
server_id |
2 |
主服务器(不一定是 1,应与从服务器上的 server_id 不同) |
|
rpl_mode |
master_and_slave |
主服务器和从服务器 |
注意:
| 版权所有 © 2012 CA。 保留所有权利。 |
|