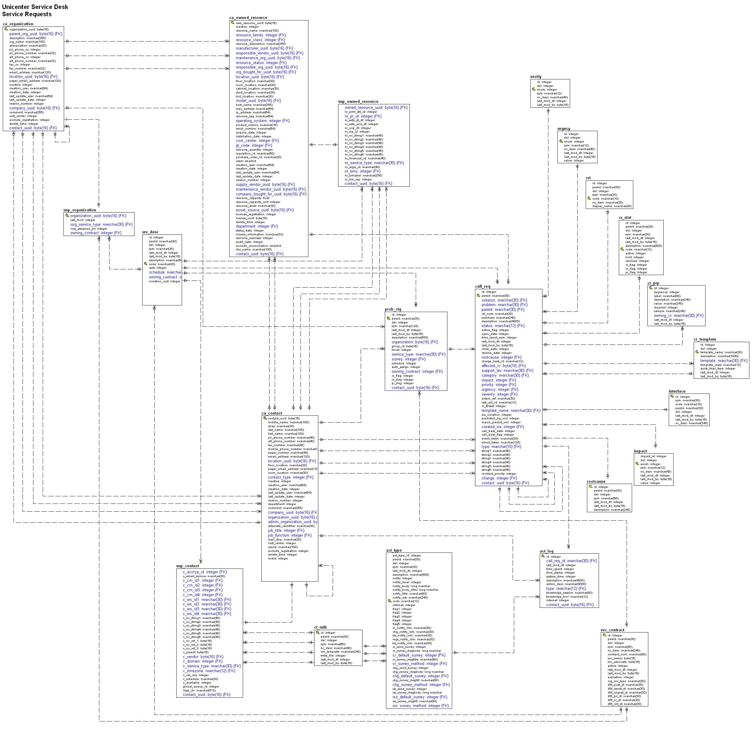
prob_ctg sevrty urgncy cr_template crt cr_prp cr_stat act_log act_type svc_contract impact rootcause interface ca_owned_resource ca_contact ca_organization usp_contact usp_organization usp_owned_resource call_req srv_desc ct_mth