
|
Aperçu rapide |
|
|
Catalogue |
System_ms |
|
Catégorie |
Serveurs Web |
|
Volumes d'utilisateur |
non |
|
Min. mémoire |
2 062 Go (x86), 6 062 Go (x64) |
|
SE |
Windows |
|
Contraintes |
non |
|
Questions/commentaires |
|
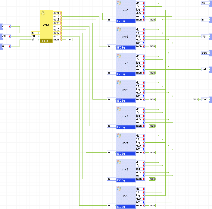
IIS03yx8 et IIS08yx8 sont des serveurs IIS évolutifs comprenant un seul équilibreur de charge (HALB) et huit serveurs IIS (par exemple, IIS03y).
IIS03yx8 et IIS08yx8 traitent du contenu Web statique et exécutent des scripts à partir du stockage de fichiers partagés (à l'aide de CIFS). Les chemins d'accès aux documents et aux scripts sont configurables.
IIS03yx8 et IIS08yx8 comptent trois terminaux de sortie génériques prévus pour accéder à des services externes à partir de scripts sur le volume de contenu. Le terminal db permet d'accéder à une base de données ; le terminal fs permet d'accéder au stockage de fichiers partagés (à l'aide de CIFS) et le terminal aux est créé pour l'envoi de courriels à un serveur SMTP.
Vous pouvez utiliser le terminal de journal pour relier IIS à un système de fichiers partagés sur lequel stocker les journaux.
IIS03yx8 et IIS08yx8 sont configurés via leurs propriétés. Les propriétés sont conçues pour couvrir la plupart des utilisations et peuvent être configurées facilement. Généralement, seules quelques-unes doivent être définies sur d'autres valeurs que celles par défaut.
Si les fonctionnalités fournies par les appliances IIS03yx8 et IIS08yx8 ne satisfont pas à vos besoins, contactez notre Support technique pour discuter des solutions possibles. Nous pouvons étendre le catalogue en fournissant des appliances conformes à vos besoins.
Important : IIS03yx8 et IIS08yx sont distribués avec CA 3Tera AppLogic dans le catalogue system_ms contenu dans la distribution de CA 3Tera AppLogic 2.9.x et ultérieur. Contactez votre fournisseur de services pour installer ce catalogue sur votre grille. Ces appliances incluent des références à /system_ms:IIS03y ou au /system_ms:IIS08y. Pour des instructions sur la création d'IIS03y et IIS08y à partir d'une appliance de serveur Windows de base, reportez-vous à la référence d'installation. Si le catalogue system_ms est installé sur votre grille et qu'une des appliances /system_ms:IIS03y ou /system_ms:IIS08y est manquante, l'éditeur d'applications affiche un message d'erreur à chaque ouverture d'une application. Pour résoudre ce problème, créez toutes les appliances manquantes ou supprimez les appliances IIS03yx4/IIS03yx8/IIS08yx4/IIS08yx8 inutilisées du catalogue system_ms.
|
Nom |
Dernière version |
SE |
IIS |
VB |
ASP.NET |
Commentaires |
|
IIS03Wx8 |
1.0.4-1 |
Windows Server 2003 "Web" SP2 (x86) |
6 |
6 |
3.5 SP1 |
- |
|
IIS03Sx8 |
1.0.4-1 |
Windows Server 2003 "Standard" SP2 (x64) |
6 |
6 |
3.5 SP1 |
- |
|
IIS03Ex8 |
1.0.4-1 |
Windows Server 2003 "Enterprise" SP2 (x64) |
6 |
6 |
3.5 SP1 |
- |
|
IIS03DCx8 |
1.0.4-1 |
Windows Server 2003 "Datacenter" SP2 (x64) |
6 |
6 |
3.5 SP1 |
- |
|
IIS08Wx4 |
1.0.4-1 |
Windows Server 2008 "Web" R2 (x64) |
7.5 |
6 |
4.0 |
- |
|
IIS08Sx4 |
1.0.4-1 |
Windows Server 2008 "Standard" R2 (x64) |
7.5 |
6 |
4.0 |
- |
|
IIS08Ex4 |
1.0.4-1 |
Windows Server 2008 "Enterprise" R2 (x64) |
7.5 |
6 |
4.0 |
- |
|
IIS08DCx4 |
1.0.4-1 |
Windows Server 2008 "Datacenter" R2 (x64) |
7.5 |
6 |
4.0 |
- |
Ressources
IIS03yx4
|
Ressource |
Minimum |
Maximum Web (x86) |
Valeur par défaut |
Testé |
|
UC |
0,9 |
32 |
2,4 |
8 |
|
Mémoire |
2 062 Go |
48 Go |
4,25 Go |
32 Go |
|
Bande passante |
9 Mbits/s |
18 Gbits/s |
1,6 Gbit/s |
2 Gbits/s |
|
Ressource |
Minimum |
Maximum standard (x64) |
Maximum Entreprise (x64) |
Maximum Datacenter (x64) |
Valeur par défaut |
Testé |
|
UC |
2,1 |
48 |
80 |
272 |
2,4 |
8 |
|
Mémoire |
6 062 Go |
288 Go |
544 Go |
544 Go |
6,25 Go |
32 Go |
|
Bande passante |
9 Mbits/s |
18 Gbits/s |
18 Gbits/s |
18 Gbits/s |
1,6 Gbit/s |
2 Gbits/s |
IIS08yx4
|
Ressource |
Minimum |
Maximum Web (x64) |
Maximum standard (x64) |
Maximum Entreprise (x64) |
Maximum Datacenter (x64) |
Valeur par défaut |
|
UC |
2,1 |
48 |
48 |
80 |
272 |
2,4 |
|
Mémoire |
6 062 Go |
288 Go |
288 Go |
544 Go |
544 Go |
6,25 Go |
|
Bande passante |
9 Mbits/s |
18 Gbits/s |
18 Gbits/s |
18 Gbits/s |
18 Gbits/s |
1,6 Gbit/s |
Terminaux
|
Nom |
Direction |
Protocole |
Description |
|
in |
in |
HTTP |
Traite les requêtes HTTP provenant des clients Web. Traite les protocoles HTTP/1.1 et 1.0. |
|
ctl |
in |
HTTP |
Terminal de contrôle utilisé pour l'activation/la désactivation des sorties et pour la récupération de l'état du terminal de sortie à partir de l'équilibreur de charge. |
|
ui |
in |
HTTP |
Expose une interface utilisateur Web qui contient les statistiques d'exécution de l'équilibreur de charge. |
|
db |
sortie |
Indifférent |
Accède à un serveur de base de données. L'utilisation est définie par les scripts, quels qu'ils soient, qui résident sur le volume de contenu (le cas échéant). Si ce terminal n'est pas utilisé, il peut rester déconnecté. |
|
fs |
sortie |
CIFS |
Accède à un système de fichiers réseau pour le stockage de fichiers partagés et fournit des connexions anonymes et un partage lecture/écriture nommé share. L'utilisation est définie par les scripts, quels qu'ils soient, qui résident sur le volume de contenu (le cas échéant). Le logiciel sur le volume de contenu voit s'afficher le système de fichiers distants en tant que \\fs\share dans l'espace de système de fichiers de l'appliance. Ce terminal doit être connecté. |
|
log |
sortie |
CIFS |
Accède à un système de fichiers réseau basé sur CIFS pour le stockage de journaux IIS. Le serveur connecté doit autoriser les connexions anonymes et avoir un partage lecture-écriture nommé share. Si ce terminal n'est pas utilisé, il peut rester déconnecté. |
|
aux |
sortie |
Indifférent |
Accède à un serveur SMTP pour l'envoi de messages électroniques sortants. L'utilisation est définie par les scripts, quels qu'ils soient, qui résident sur le volume de contenu (le cas échéant). Veuillez noter qu'"IIS SMTP" n'est pas configuré sur l'appliance. Toute application de messagerie devrait simplement utiliser SMTP directement, en utilisant "aux" comme nom d'hôte cible. |
|
net |
sortie |
Indifférent |
Sortie de passerelle pour l'accès au sous-réseau. |
|
MON |
sortie |
CCE |
Envoie des statistiques de performances et d'utilisation des ressources. |
Propriétés
|
Nom de propriété |
Type |
Description |
|
docs_dir |
Chaîne |
Répertoire racine sur le volume NAS distant contenant les documents à traiter. Par exemple, il peut s'agir de mydocs. Si docs_dir est défini sur la chaîne vide, le répertoire racine du volume de contenu est utilisé. |
|
logs_enabled |
Chaîne |
Contrôle si la journalisation IIS est activée. Les valeurs autorisées sont on et off. Si la valeur définie est on et que le terminal de journal est connecté, les journaux sont stockés sur l'appliance NAS distante, sur le partage cifs. Si la valeur définie est on et que le terminal de journal n'est pas connecté, les journaux sont stockés sur le lecteur de démarrage Windows, à l'emplacement par défaut (C:\WINDOWS\system32\LogFiles\W3SVC1\*). Si la valeur est définie sur off, les journaux sont complètement désactivés. Valeur par défaut : off |
|
srv2_standby |
Nombre entier |
Spécifie si le deuxième serveur IIS0Ny est en mode veille. Si la valeur est différente de zéro, le deuxième serveur IIS0Ny est en mode veille. Dans le cas contraire, il n'est pas en mode veille. |
|
srv3_standby |
Nombre entier |
Spécifie si le troisième serveur IIS0Ny est en mode veille. Si la valeur est différente de zéro, le troisième serveur IIS0Ny est en mode veille. Dans le cas contraire, il n'est pas en mode veille. |
|
srv4_standby |
Nombre entier |
Spécifie si le quatrième serveur IIS0Ny est en mode veille. Si la valeur est différente de zéro, le quatrième serveur IIS0Ny est en mode veille. Dans le cas contraire, il n'est pas en mode veille. |
|
srv5_standby |
Nombre entier |
Spécifie si le quatrième serveur IIS0Ny est en mode veille. Si la valeur est différente de zéro, le cinquième serveur IIS0Ny est en mode veille. Dans le cas contraire, il n'est pas en mode veille. |
|
srv6_standby |
Nombre entier |
Spécifie si le quatrième serveur IIS0Ny est en mode veille. Si la valeur est différente de zéro, le sixième serveur IIS0Ny est en mode veille. Dans le cas contraire, il n'est pas en mode veille. |
|
srv7_standby |
Nombre entier |
Spécifie si le quatrième serveur IIS0Ny est en mode veille. Si la valeur est différente de zéro, le septième serveur IIS0Ny est en mode veille. Dans le cas contraire, il n'est pas en mode veille. |
|
srv8_standby |
Nombre entier |
Spécifie si le quatrième serveur IIS0Ny est en mode veille. Si la valeur est différente de zéro, le huitième serveur IIS0Ny est en mode veille. Dans le cas contraire, il n'est pas en mode veille. |
Important : Toutes les propriétés de chaîne énumérées ne sont pas sensibles à la casse (minuscules). Toutes les autres propriétés de chaîne sont sensibles à la casse.
Propriétés avancées
Il s'agit de propriétés supplémentaires ne devant généralement pas être configurées. Elles peuvent être utilisées pour configurer IIS0Nyx8 dans des circonstances non standard.
|
Nom de propriété |
Type |
Description |
|
lb_mode |
Chaîne |
Spécifie le mode de fonctionnement et une façon d'utiliser le cookie de session nommé pour l'identification de session. Les valeurs valides sont les suivantes : |
|
lb_cookie_name |
Chaîne |
Nom du cookie utilisé pour identifier une session. Pour les modes passifs (passif et synchronisation - voir la propriété de mode ci-dessous), il s'agit du nom du cookie utilisé par les serveurs principaux connectés aux sorties out1 - out8 pour identifier des sessions clientes. Pour le mode insert, il s'agit du nom du cookie que HALB doit insérer dans les réponses HTTP afin que chaque client corresponde à un seul serveur. Si cette propriété est définie sur la valeur vide, aucun suivi de session n'est effectué et toutes les requêtes sont distribuées simplement à la façon d'un tourniquet. Ignoré pour le mode source. |
|
lb_cookie_check_length |
Entier |
Définit le nombre d'octets de la valeur du cookie utilisés comme clé unique en mode de fonctionnement passif pour correspondre à la session du serveur Web principal. Une valeur par défaut de 10 suffit généralement pour toutes les applications Java et PHP courantes. Cette valeur doit toujours être égale ou inférieure à la longueur de la valeur de cookie. |
|
lb_max_connections |
nombre entier |
Nombre maximum de connexions actives simultanément gérées par l'équilibreur de charge. Lorsque ce nombre est atteint, les nouvelles connexions sont toujours acceptées, mais leur traitement est différé jusqu'à la fermeture d'une autre connexion. Au démarrage, l'équilibreur de charge détermine automatiquement le nombre maximum de connexions en fonction de la mémoire disponible, le compare à la valeur de cette propriété et utilise la valeur la plus basse. Si cette propriété est égale à 0, la valeur calculée est utilisée. Veuillez noter que ni la mémoire disponible ni aucun paramètre explicite de cette propriété n'exerce d'effet direct sur le débit de l'équilibreur de charge ou son taux de requêtes maximum. Définir un petit nombre (ou une faible quantité de mémoire) n'affecte la réponse que si les serveurs principaux effectuent de longues opérations pour chaque requête (par exemple, des recherches dans la base de données) faisant en sorte que de nombreuses requêtes restent ouvertes simultanément. |
|
lb_backup_outputs |
Chaîne |
Liste de sorties séparées par des virgules ou des points (out1 - out8) considérée comme sauvegarde. Le trafic est dirigé vers les serveurs de sauvegarde uniquement si tous les serveurs principaux sont indisponibles. Ces serveurs de sauvegarde ont pour objectif d'avertir les clients d'un problème ou de les rediriger au lieu de renvoyer des erreurs à partir d'un serveur principal indisponible ou arrivé à expiration. |
|
lb_healthcheck_url |
Chaîne |
URL utilisée pour effectuer le contrôle de l'intégrité des serveurs Web principaux dans les méthodes de contrôle de l'intégrité http_get et http_head. Il peut s'agir d'une URL complète (http://host.name/file/to/check/for.php) ou d'un chemin d'accès relatif (/file/to/check/for.php). Si l'adresse spécifiée est une URL, HALB utilise le protocole HTTP/1.1 pendant l'exécution des contrôles d'intégrité à l'aide du nom d'hôte extrait d'UR, dans un en-tête "Host:". Elle permet l'utilisation d'hôtes virtuels. Si l'adresse spécifiée est un chemin d'accès relatif, HALB utilise le protocole HTTP/1.0 et vérifie le document spécifié par cette propriété. Si cette propriété est vide, l'équilibreur de charge vérifie la présence de la racine par défaut "/" à l'aide du protocole HTTP/1.0. |
|
lb_healthcheck_agent |
Chaîne |
Chaîne utilisée comme identificateur d'agent pour les méthodes de contrôle de l'intégrité http_get et http_head. Si la chaîne est vide, "HALB-health-check" est utilisé. |
|
lb_healthcheck_method |
Chaîne |
Méthode utilisée pour le contrôle de l'intégrité des serveurs Web principaux. |
|
lb_healthcheck_regexp |
Chaîne |
Chaîne de test utilisée avec le mode de contrôle de l'intégrité http_get. Des valeurs courtes ou communes (p. ex. OK) généreront probablement des faux positifs. Cette chaîne est une expression Perl régulière. |
|
lb_healthcheck_interval |
Entier |
Intervalle (exprimé en secondes) entre les contrôles d'intégrité des serveurs Web principaux. |
|
lb_timeout |
nombre entier |
Délai d'expiration des sessions inactives (exprimé en secondes). Si la valeur définie est zéro, les sessions inactives n'expirent pas. Si la valeur est définie sur une valeur non nulle, les sessions inactives sont redémarrées à l'expiration du délai d'inactivité et les requêtes ayant le cookie "forgotten" sont traitées comme si elles n'avaient aucun cookie et dirigées vers un serveur aléatoire, à l'aide de la méthode de tourniquet habituelle. Cette propriété est uniquement valide en mode passif et est ignorée pour tous les autres modes. |
|
lb_client_timeout |
Entier |
Délai d'expiration en secondes pour l'attente d'une requête client après avoir établi la connexion. |
|
lb_server_timeout |
Entier |
Délai d'expiration en secondes pour l'attente d'une réponse d'un serveur Web principal après avoir établi la connexion. |
|
lb_conn_timeout |
Entier |
Délai d'expiration en secondes pour l'établissement d'une connexion TCP. Ce délai inclut les contrôles de l'intégrité. Ce paramètre nécessite une attention supplémentaire, parce qu'en cas de charge importante, les contrôles de l'intégrité expirent si la valeur est insuffisante, l'équilibreur de charge commence à désactiver les sorties. Il est déconseillé de le définir en dessous de 20 secondes. |
|
lb_username |
Chaîne |
Nom d'utilisateur pour l'accès à l'interface utilisateur graphique de l'équilibreur de charge via le terminal ui. Si aucune valeur n'est spécifiée, aucune authentification n'est effectuée. |
|
lb_password |
Chaîne |
Mot de passe pour l'accès à l'interface utilisateur graphique de l'équilibreur de charge via le terminal ui. Le mot de passe est ignoré si le nom d'utilisateur est vide. |
|
lb_ctl_port |
Entier |
Port utilisé pour accéder à l'interface de contrôle de service Web via le terminal ctl. |
|
lb_ui_port |
Entier |
Port utilisé pour accéder à l'interface utilisateur graphique des statistiques d'exécution de l'équilibreur de charge via le terminal ui. |
|
index_files |
Chaîne |
Liste, ordonnée et séparée par des espaces, de fichiers à utiliser comme page d'index de répertoire si le client demande une URL faisant référence à un nom de répertoire. |
|
max_connections |
Nombre entier |
Nombre maximum de connexions actives simultanées que chaque noeud IIS peut gérer. Le nombre réel de connexions simultanées peut être limité à une valeur inférieure à celle définie pour cette propriété si la mémoire système n'est pas suffisante. Reportez-vous à la section Utilisation de la mémoire. |
|
idle_timeout_sec |
Nombre entier |
Délai en secondes de maintien d'une connexion client en l'absence de requêtes ou de réponses. La définition d'un délai d'expiration court permet de clôturer rapidement les connexions oubliées. Valeur par défaut : 15 |
|
data_timeout_sec |
Nombre entier |
Délai en secondes pour la réception ou l'envoi d'une quantité de données plus importante si un transfert de données a démarré sans se terminer. Ce délai d'expiration permet à IIS03y de clôturer des connexions oubliées tout en permettant de prolonger le transfert. Valeur par défaut : 300 |
Important : Toutes les propriétés de chaîne énumérées ne sont pas sensibles à la casse (minuscules). Toutes les autres propriétés de chaîne sont sensibles à la casse.
Cette section fournit des informations utiles pour configurer des scripts pour le contenu dynamique.
Noms de répertoire fixes
Au démarrage du serveur HTTP, les répertoires et les fichiers suivants sont disponibles dans l'espace du système de fichiers de chaque instance IIS0Ny. (Il est déconseillé d'utiliser des noms de répertoire absolus en dehors de ces emplacements quel que soit le script ou le fichier de configuration) :
\\fs\share - racine du stockage de fichiers partagés en lecture/écriture fourni par un serveur NAS relié au terminal fs.
Contrôle d'accès
Pour pouvoir être utilisés via HTTP, les fichiers sur le volume de contenu doivent disposer de l'autorisation "read" pour tous les utilisateurs.
Pour traiter du contenu dynamique depuis le partage de système de fichiers distant, chaque appliance d'IIS0Ny doit être configurée comme suit.
Configuration de l'appliance IIS03y
x86: C:\Windows\Microsoft.NET\Framework\v2.0.50727\CasPol.exe -m -ag 1 -url "file:////\\fs\share\*" FullTrust -exclusive on
ou
x64: C:\Windows\Microsoft.NET\Framework64\v2.0.50727\CasPol.exe -m -ag 1 -url "file:////\\fs\share\*" FullTrust -exclusive on
Important : Remplacez "file:////\\fs\share\*" par un chemin d'accès correct le cas échéant. (Répétez la commande pour les différents dossiers.)
Envoi de courriels
Le système "IIS SMTP" n'est configuré sur aucun IIS0Ny. Ne l'utilisez pas pour envoyer des messages à partir de cette appliance. Dans tous les cas, votre système de messagerie SMTP doit être configuré pour utiliser "aux" comme nom d'hôte du serveur SMTP. Reportez-vous aux cas d'utilisation pour obtenir des exemples d'utilisation d'IIS0Ny avec votre messagerie.
Voici un exemple de l'intérieur d'IIS0Nyx8.

Application à 2 niveaux évolutive

Limitations connues
Pour des problèmes et des suggestions, contactez le Support technique.
| Copyright © 2011 CA. Tous droits réservés. | Envoyer un courriel à CA Technologies sur cette rubrique |