
|
概览 |
|
|
目录 |
System_ms |
|
类别 |
Web 服务器 |
|
用户卷 |
no |
|
最小 内存 |
2.062 GB (x86),6.062 GB (x64) |
|
操作系统 |
Windows |
|
约束 |
no |
|
问题/注释 |
|
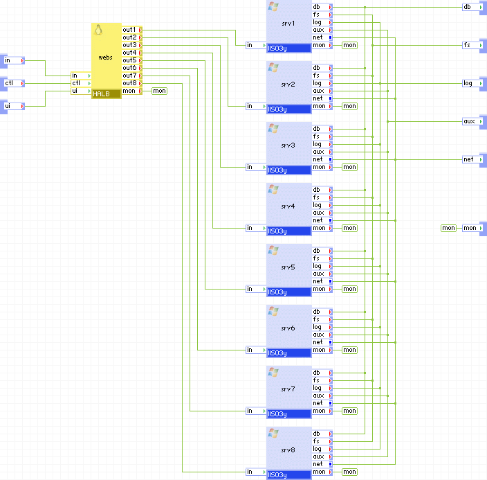
IIS03yx8 和 IIS08yx8 是可扩展 IIS 服务器,包括一个负载均衡器 (HALB) 和八个 IIS 服务器(例如 IIS03y)。
IIS03yx8 和 IIS08yx8 通过共享文件存储(使用 CIFS)提供静态 Web 内容并执行脚本。文档和脚本的路径是可配置的。
IIS03yx8 和 IIS08yx8 有三个通用输出终端,用于从内容卷脚本访问外部服务。db 终端用于访问数据库;fs 终端用于访问共享文件存储(使用 CIFS);aux 终端用于将电子邮件发送到 SMTP 服务器。
可以使用日志终端将 IIS 连接到可在其上存储日志的共享文件系统。
IIS03yx8 和 IIS08yx8 服务器的配置是通过属性提供的。这些属性旨在用易于配置的方式涵盖大多数用途。通常,只有几个属性需要设置为非默认值。
如果 IIS03yx8 和 IIS08yx8 组件提供的功能未能符合您的需求,请联系我们的技术支持部门以探讨可行方案。我们也许能够通过提供满足您需要的组件来扩展目录。
重要信息! IIS03yx8 和 IIS08yx 已随 CA 3Tera AppLogic 一起发布,位于 CA 3Tera AppLogic 2.9.x+ distro 包含的 system_ms 目录中。如果要在您的网格上安装此目录,请联系您的服务提供商。这些组件包括 /system_ms:IIS03y 或 /system_ms:IIS08y 的参考;有关通过基础 Windows 服务器组件创建 IIS03y 和 IIS08y 的说明,请参见安装参考。如果 system_ms 目录已安装在您的网格上,但缺少 /system_ms:IIS03y 或 /system_ms:IIS08y 组件中的任何一个组件,应用编辑器在每次打开应用时会显示错误消息。要解决此问题,请创建所有缺少的组件,或从 system_ms 目录中删除未使用的 IIS03yx4/IIS03yx8/IIS08yx4/IIS08yx8 组件。
|
名称 |
最新版本 |
操作系统 |
IIS |
VB |
ASP.NET |
说明 |
|
IIS03Wx8 |
1.0.4-1 |
Windows Server 2003 "Web" SP2 (x86) |
6 |
6 |
3.5 SP1 |
- |
|
IIS03Sx8 |
1.0.4-1 |
Windows Server 2003 "Standard" SP2 (x64) |
6 |
6 |
3.5 SP1 |
- |
|
IIS03Ex8 |
1.0.4-1 |
Windows Server 2003 "Enterprise" SP2 (x64) |
6 |
6 |
3.5 SP1 |
- |
|
IIS03DCx8 |
1.0.4-1 |
Windows Server 2003 "Datacenter" SP2 (x64) |
6 |
6 |
3.5 SP1 |
- |
|
IIS08Wx4 |
1.0.4-1 |
Windows Server 2008 "Web" R2 (x64) |
7.5 |
6 |
4.0 |
- |
|
IIS08Sx4 |
1.0.4-1 |
Windows Server 2008 "Standard" R2 (x64) |
7.5 |
6 |
4.0 |
- |
|
IIS08Ex4 |
1.0.4-1 |
Windows Server 2008 "Enterprise" R2 (x64) |
7.5 |
6 |
4.0 |
- |
|
IIS08DCx4 |
1.0.4-1 |
Windows Server 2008 "Datacenter" R2 (x64) |
7.5 |
6 |
4.0 |
- |
资源
IIS03yx4
|
资源 |
最小值 |
Web (x86) 最大值 |
默认值 |
已测试 |
|
CPU |
0.9 |
32 |
2.4 |
8 |
|
内存 |
2.062 GB |
48 GB |
4.25 GB |
32 GB |
|
带宽 |
9 Mbps |
18 Gbps |
1.6 Gbps |
2 Gbps |
|
资源 |
最小值 |
Standard (x64) 最大值 |
Enterprise (x64) 最大值 |
Datacenter (x64) 最大值 |
默认值 |
已测试 |
|
CPU |
2.1 |
48 |
80 |
272 |
2.4 |
8 |
|
内存 |
6.062 GB |
288 GB |
544 GB |
544 GB |
6.25 GB |
32G |
|
带宽 |
9 Mbps |
18 Gbps |
18 Gbps |
18 Gbps |
1.6 Gbps |
2 Gbps |
IIS08yx4
|
资源 |
最小值 |
Web (x64) 最大值 |
Standard (x64) 最大值 |
Enterprise (x64) 最大值 |
Datacenter (x64) 最大值 |
默认值 |
|
CPU |
2.1 |
48 |
48 |
80 |
272 |
2.4 |
|
内存 |
6.062 GB |
288 GB |
288 GB |
544 GB |
544 GB |
6.25 GB |
|
带宽 |
9 Mbps |
18 Gbps |
18 Gbps |
18 Gbps |
18 Gbps |
1.6 Gbps |
终端
|
名称 |
方向 |
协议 |
说明 |
|
in |
in |
HTTP |
为 Web 客户端发出的 HTTP 请求提供服务。为 HTTP/1.1 和 1.0 协议提供服务。 |
|
ctl |
in |
HTTP |
用于启用/禁用输出以及从负载均衡器检索输出终端状态的控制终端。 |
|
ui |
in |
HTTP |
公开包含负载均衡器运行时统计信息的 Web UI。 |
|
db |
out |
Any |
访问数据库服务器。用法由驻留在内容卷上的任何脚本(如果有)定义。如果不使用此终端,可以让它保持未连接状态。 |
|
fs |
out |
CIFS |
访问共享文件存储的网络文件系统,提供匿名登录和名称为 share 的读/写共享。用法由驻留在内容卷上的任何脚本(如果有)定义。内容卷上的软件将远程文件系统“视为”组件文件系统空间中的 \\fs\share。此终端必须已连接。 |
|
log |
out |
CIFS |
访问用于存储 IIS 日志且基于 CIFS 的网络文件系统。已连接的服务器必须允许匿名登录并拥有名称为 share 的读写共享。如果不使用此终端,可以让它保持未连接状态。 |
|
aux |
out |
Any |
访问用于发送传出电子邮件的 SMTP 服务器。用法由驻留在内容卷上的任何脚本(如果有)定义。请注意,组件上未配置 IIS SMTP;需要发送邮件的任何应用应使用 aux 作为目标主机名,直接使用 SMTP。 |
|
net |
out |
Any |
用于子网访问的网关输出。 |
|
mon |
out |
CCE |
发送性能和资源使用统计信息。 |
属性
|
属性名 |
类型 |
说明 |
|
docs_dir |
字符串 |
要服务的文档所在的远程 NAS 卷的根目录。例如:它可能是 mydocs。如果 docs_dir 设置为空字符串,则使用内容卷的根目录。 |
|
logs_enabled |
字符串 |
控制是否启用 IIS 日志记录。允许值为 on 和 off。如果设为 on 且日志终端已连接,则日志将存储在远程 NAS 组件的 cifs 共享上。如果设为 on 且日志终端未连接,则日志存储在 Windows 启动驱动器上的默认位置 (C:\WINDOWS\system32\LogFiles\W3SVC1\*)。如果设置为 off,则完全禁用日志。默认值:off |
|
srv2_standby |
整数 |
指出第二个 IIS0Ny 服务器是否处于待机模式。如果为非零,则第二个 IIS0Ny 服务器处于待机模式,否则它不是处于待机模式。 |
|
srv3_standby |
整数 |
指定第三个 IIS0Ny 服务器是否处于待机模式。如果为非零,则第三个 IIS0Ny 服务器处于待机模式,否则它不是处于待机模式。 |
|
srv4_standby |
整数 |
指定第四个 IIS0Ny 服务器是否处于待机模式。如果为非零,则第四个 IIS0Ny 服务器处于待机模式,否则它不是处于待机模式。 |
|
srv5_standby |
整数 |
指定第四个 IIS0Ny 服务器是否处于待机模式。如果为非零值,则第五个 IIS0Ny 服务器处于待机模式,否则它不处于待机模式。 |
|
srv6_standby |
整数 |
指定第四个 IIS0Ny 服务器是否处于待机模式。如果为非零值,则第六个 IIS0Ny 服务器处于待机模式,否则它不处于待机模式。 |
|
srv7_standby |
整数 |
指定第四个 IIS0Ny 服务器是否处于待机模式。如果为非零值,则第七个 IIS0Ny 服务器处于待机模式,否则它不处于待机模式。 |
|
srv8_standby |
整数 |
指定第四个 IIS0Ny 服务器是否处于待机模式。如果为非零值,则第八个 IIS0Ny 服务器处于待机模式,否则它不处于待机模式。 |
重要信息! 所有枚举字符串属性都不区分大小写(一般使用小写)。所有其他字符串属性都区分大小写。
高级属性
这些是通常不需要配置的附加属性。它们可用于在非标准情况下调整 IIS0Nyx8。
|
属性名 |
类型 |
说明 |
|
lb_mode |
字符串 |
指定运行模式,以及将命名会话 Cookie 用于会话标识的方法。有效值是: |
|
lb_cookie_name |
字符串 |
用于标识会话的 Cookie 名称。对于 passive 模式(passive 和 synch-参见下面的模式属性),这是 Cookie 的名称,后端服务器使用这些 Cookie 连接到 out1 - out8 以标识客户端会话。对于 insert 模式,这是 HALB 为了使每个客户端与单个服务器“绑定”在一起而要插入到 HTTP 响应中的 Cookie 的名称。如果此属性设为空值,则不执行任何会话跟踪,且所有请求都采用简单循环机制来分发。对 source 模式忽略此属性。 |
|
lb_cookie_check_length |
Int |
定义将 Cookie 值中的多少个字节用作 passive 运行模式的唯一键,以将会话与后端 Web 服务器进行匹配。默认值 10 通常足以满足所有常用的 PHP 和 java 应用。此值必须始终等于或少于 Cookie 值的长度。 |
|
lb_max_connections |
整数 |
负载均衡器处理的最大并发活动连接数。在达到此数目时,仍会接受新连接,但是其处理会延迟,直到另一个连接关闭。启动时,负载均衡器将基于可用内存自动确定最大连接数,将其与该属性的值进行比较并使用最小值。如果该属性等于 0,则使用计算的值。请注意,可用内存和该属性的显式设置都不会对均衡器的吞吐量或其最大请求率造成直接影响-仅当后端服务器在为每个请求(例如:数据库搜索)执行冗长操作,导致许多请求同时处于打开状态时,设置较小的值(或分配极少的内存)才会影响响应。 |
|
lb_backup_outputs |
字符串 |
被视为备份的输出 (out1 - out8) 的空格或逗号分隔列表。仅当所有后端服务器都不可用时,流量才会定向到备份服务器。这些备份服务器的用途是通知客户端出现问题或者重定向客户端,而不是在后端不可用或超时的情况下引发错误。 |
|
lb_healthcheck_url |
字符串 |
用于以 http_get 和 http_head 运行状况检查方法执行后端 Web 服务器运行状况检查的 URL。可指定为完整 URL (http://host.name/file/to/check/for.php) 或相对路径 (/file/to/check/for.php)。如果指定为 URL,HALB 在使用从“Host:”头中的 UR 中提取的主机名执行运行状况检查时将使用 HTTP/1.1 协议。允许使用虚拟主机。如果指定为相对路径,HALB 将使用 HTTP/1.0 协议,并检查该属性指定的文档。如果该属性为空,负载均衡器将使用 HTTP/1.0 协议检查默认根目录“/”。 |
|
lb_healthcheck_agent |
字符串 |
用作 http_get 和 http_head 运行状况检查方法的代理标识符的字符串。如果为空,则使用“HALB-health-check”。 |
|
lb_healthcheck_method |
字符串 |
用于执行后端 Web 服务器运行状况检查的方法。 |
|
lb_healthcheck_regexp |
字符串 |
用于 http_get 运行状况检查模式的测试字符串。使用简短或不具体的字符串(例如 “OK”)可能会导致返回误报的匹配项。此字符串是一个 Perl 正则表达式。 |
|
lb_healthcheck_interval |
Int |
后端 Web 服务器运行状况检查之间的时间间隔(指定以秒为单位)。 |
|
lb_timeout |
整数 |
使非活动会话到期的超时(秒)。如果设为零,则非活动会话不会到期。如果设为非零值,超时秒数后恢复的非活动会话被认为已过时,带有“长时间不用的”cookie 的请求被视为根本没有 cookie,并使用普通的循环方向定向到随机服务器。此属性仅对 passive 模式有效,对所有其他模式将被忽略。 |
|
lb_client_timeout |
Int |
建立连接后等待客户端发出请求所用的超时(秒)。 |
|
lb_server_timeout |
Int |
建立连接后等待后端 Web 服务器发出回复所用的超时(秒)。 |
|
lb_conn_timeout |
Int |
建立任何 TCP 连接所用的超时(秒)。这包括运行状况检查。处理此设置时必须格外小心,因为在高负载下,运行状况检查会因值太小而超时,从而使负载均衡器开始禁用输出。建议不要将它设为低于 20 秒。 |
|
lb_username |
字符串 |
通过 ui 终端访问负载均衡器 GUI 所用的用户名。如果为空,则不进行身份验证。 |
|
lb_password |
字符串 |
通过 ui 终端访问负载均衡器 GUI 所用的密码。如果用户名为空,则会忽略密码。 |
|
lb_ctl_port |
Int |
用于通过 ctl 终端访问 Web 服务控制界面的端口。 |
|
lb_ui_port |
Int |
用于通过 ui 终端访问负载均衡器运行时统计信息 GUI 的端口。 |
|
index_files |
字符串 |
已排序的空格分隔文件列表,在客户端请求引用目录名称的 URL 时用作目录索引页。 |
|
max_connections |
整数 |
每个 IIS 节点可以处理的最大并发活动连接数。如果没有足够的系统内存,可以将并发连接的实际数目限制为小于为此属性设置的值。请参见内存使用情况部分。 |
|
idle_timeout_sec |
整数 |
没有请求或响应通过时使客户端连接保持打开状态所用的超时(秒)。将此超时设置得较短可帮助快速丢弃长时间不活动的连接。默认值:15 |
|
data_timeout_sec |
整数 |
数据传输已开始但未完成时接收或发送更多数据所用的超时(秒)。此超时允许 IIS03y 丢弃长时间不活动的连接,同时允许在传输期间延迟处理。默认值:300 |
重要信息! 所有枚举字符串属性都不区分大小写(一般使用小写)。所有其他字符串属性都区分大小写。
本节提供了一些有用信息,以帮助您配置提供动态内容的脚本。
固定目录名称
在启动 HTTP 服务器时,每个 IIS0Ny 实例的文件系统空间中会提供下列目录和文件(不建议在任何脚本或配置文件中使用这些位置以外的绝对目录名称):
\\fs\share-连接到 fs 终端的 NAS 服务器提供的共享读/写文件存储的根目录。
访问控制
每个用户都应该对内容卷上的文件拥有读取权限,这样才能通过 HTTP 为这些文件提供服务。
要从远程文件系统共享提供动态内容,必须配置每个 IIS0Ny 内核组件。
配置 IIS03y 内核组件
x86:C:\Windows\Microsoft.NET\Framework\v2.0.50727\CasPol.exe -m -ag 1 -url "file:////\\fs\share\*" FullTrust -exclusive on
或者
x64:C:\Windows\Microsoft.NET\Framework64\v2.0.50727\CasPol.exe -m -ag 1 -url "file:////\\fs\share\*" FullTrust -exclusive on
重要信息! 在需要时将“file:////\\fs\share\*”替换为正确路径(对多个文件夹重复该命令)
发送电子邮件
“IIS SMTP”系统未在任何 IIS0Ny 上配置。请不要使用该系统从此组件发送电子邮件。在所有情况下,应该将您的 SMTP 邮件发送程序设置为使用 aux 作为 SMTP 服务器的主机名。有关如何对电子邮件使用 IIS0Ny 的示例,请参见用例。
以下是 IIS0Nyx8 内核的示例。

可扩展的双层应用

已知限制
如有问题和建议,请联系技术支持。
| 版权所有 © 2011 CA。 保留所有权利。 | 就该主题发送电子邮件至 CA Technologies |