
|
Vista rápida |
|
|
Catálogo |
System_ms |
|
Categoría |
Servidores Web |
|
Volúmenes de usuario |
no |
|
Memoria mín. |
2.062 GB (x86), 6.062 GB (x64) |
|
SO |
Windows |
|
Restricciones |
no |
|
Preguntas o comentarios |
|
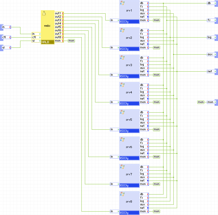
IIS03yx8 e IIS08yx8 son servidores de IIS escalables que están formados por un solo equilibrador de carga (HALB) y ocho servidores de IIS (por ejemplo, IIS03y).
IIS03yx8 e IIS08yx8 sirven contenido Web estático y ejecutan scripts de almacenamiento de archivos compartidos (mediante CIFS). Las rutas a los documentos y los scripts son configurables.
IIS03yx8 e IIS08yx8 tienen tres terminales de salida genéricos para acceder a servicios externos de scripts del volumen de contenido. El terminal db se usa para acceder a una base de datos; el terminal fs se usa para acceder a almacenamiento de archivos compartidos (mediante CIFS); y el terminal aux se usa para enviar mensajes de correo electrónico a un servidor SMTP.
El terminal de registro se puede usar para conectar IIS a un sistema de archivos compartido para almacenar registros en él.
La configuración de los servidores IIS03yx8 e IIS08yx8 se proporciona a través de propiedades. Las propiedades están diseñadas para cubrir la mayor parte de los usos de una forma fácilmente configurable. Normalmente, sólo es necesario establecer algunas de ellas en valores distintos de los predeterminados.
Si las funciones que proporcionan los dispositivos IIS03yx8 e IIS08yx8 no cubren sus necesidades, póngase en contacto con el Soporte técnico para discutir las posibles opciones. Podemos ampliar el catálogo proporcionando dispositivos que cubren sus necesidades.
Importante: IIS03yx8 e IIS08yx se distribuyen con CA 3Tera AppLogic en el catálogo system_ms que se incluye en la distro CA 3Tera AppLogic 2.9.x+. Póngase en contacto con su proveedor de servicios para que este catálogo se instale en el grid. Estos dispositivos incluyen referencias a /system_ms:IIS03y o /system_ms:IIS08y; consulte la referencia de instalación para obtener instrucciones sobre cómo crear IIS03y e IIS08y a partir de un dispositivo de servidor base de Windows. Si el catálogo de system_ms está instalado en su grid y falta el dispositivo /system_ms:IIS03y o el dispositivo /system_ms:IIS08y, el editor de aplicaciones muestra un mensaje de error cada vez que se abre una aplicación. Para resolver esta incidencia, puede crear todos los dispositivos que faltan o eliminar los dispositivos IIS03yx4/IIS03yx8/IIS08yx4/IIS08yx8 sin utilizar del catálogo system_ms.
|
Nombre |
Última versión |
SO |
IIS |
VB |
ASP.NET |
Notas |
|
IIS03Wx8 |
1.0.2-1 |
Windows Server 2003 "Web" SP2 (x86) |
6 |
6 |
3.5 SP1 |
- |
|
IIS03Sx8 |
1.0.2-1 |
Windows Server 2003 "Standard" SP2 (x64) |
6 |
6 |
3.5 SP1 |
- |
|
IIS03Ex8 |
1.0.2-1 |
Windows Server 2003 "Enterprise" SP2 (x64) |
6 |
6 |
3.5 SP1 |
- |
|
IIS03DCx8 |
1.0.2-1 |
Windows Server 2003 "Datacenter" SP2 (x64) |
6 |
6 |
3.5 SP1 |
- |
|
IIS08Wx4 |
1.0.0-1 |
Windows Server 2008 "Web" R2 (x64) |
7.5 |
6 |
4.0 |
- |
|
IIS08Sx4 |
1.0.0-1 |
Windows Server 2008 "Standard" R2 (x64) |
7.5 |
6 |
4.0 |
- |
|
IIS08Ex4 |
1.0.0-1 |
Windows Server 2008 "Enterprise" R2 (x64) |
7.5 |
6 |
4.0 |
- |
|
IIS08DCx4 |
1.0.0-1 |
Windows Server 2008 "Datacenter" R2 (x64) |
7.5 |
6 |
4.0 |
- |
Recursos
IIS03yx4
|
Recurso |
Mínimo |
Web (x86) (máximo) |
Predeterminado |
Probado |
|
CPU |
0,9 |
32 |
2,4 |
8 |
|
Memoria |
2,062 GB |
48 GB |
4,25 GB |
32 GB |
|
Ancho de banda |
9 Mbps |
18 Gbps |
1,6 Gbps |
2 Gbps |
|
Recurso |
Mínimo |
Standard (x64) (máximo) |
Enterprise (x64) (máximo) |
Datacenter (x64) (máximo) |
Predeterminado |
Probado |
|
CPU |
2,1 |
48 |
80 |
272 |
2,4 |
8 |
|
Memoria |
6,062 GB |
288 GB |
544 GB |
544 GB |
6,25 GB |
32 G |
|
Ancho de banda |
9 Mbps |
18 Gbps |
18 Gbps |
18 Gbps |
1,6 Gbps |
2 Gbps |
IIS08yx4
|
Recurso |
Mínimo |
Web (x64) (máximo) |
Standard (x64) (máximo) |
Enterprise (x64) (máximo) |
Datacenter (x64) (máximo) |
Predeterminado |
|
CPU |
2,1 |
48 |
48 |
80 |
272 |
2,4 |
|
Memoria |
6,062 GB |
288 GB |
288 GB |
544 GB |
544 GB |
6,25 GB |
|
Ancho de banda |
9 Mbps |
18 Gbps |
18 Gbps |
18 Gbps |
18 Gbps |
1,6 Gbps |
Terminales
|
Nombre |
Dirección |
Protocolo |
Descripción |
|
in |
Entrante |
HTTP |
Sirve solicitudes HTTP procedentes de clientes Web. Sirve a los protocolos HTTP/1.1 y 1.0. |
|
ctl |
Entrante |
HTTP |
Terminal de control que se usa para activar o deshabilitar las salidas y recuperar el estado del terminal de salida desde el equilibrador de carga. |
|
ui |
Entrante |
HTTP |
Muestra una interfaz de usuario Web que contiene estadísticas de tiempo de ejecución del equilibrador de carga. |
|
db |
Saliente |
Cualquiera |
Permite acceder a un servidor de base de datos. El uso se define mediante los scripts que residan en el volumen de contenido (si existe alguno). Este terminal se puede dejar desconectado si no se está usando. |
|
fs |
Saliente |
CIFS |
Permite acceder a un sistema de archivos de red para el almacenamiento de archivos compartidos; se proporciona un inicio de sesión anónimo y un recurso compartido de lectura/escritura denominado share. El uso se define mediante los scripts que residan en el volumen de contenido (si existe alguno). El software del volumen del contenido "ve" el sistema de archivos remoto como \\fs\share en el espacio de sistema de archivos del dispositivo. Este terminal debe estar conectado. |
|
log |
Saliente |
CIFS |
Acceso a un sistema de archivos de red basado en CIFS para almacenar registros IIS. El servidor conectado debe permitir inicios de sesión anónimos y debe tener un recurso compartido de lectura/escritura denominado "share". Este terminal se puede dejar desconectado si no se está usando. |
|
aux |
Saliente |
Cualquiera |
Permite acceder a un servidor SMTP para enviar correo electrónico saliente. El uso se define mediante los scripts que residan en el volumen de contenido (si existe alguno). Observe que "SMTP IIS" no está configurado en el dispositivo; cualquier aplicación que necesite enviar correo sólo tiene que utilizar SMTP directamente y "aux" como nombre de host de destino. |
|
net |
Saliente |
Cualquiera |
Salida de la puerta de enlace para acceso de subred. |
|
mon |
Saliente |
CCE |
Envía estadísticas sobre uso de recursos y rendimiento. |
Propiedades
|
Nombre de la propiedad |
Tipo |
Descripción |
|
docs_dir |
Cadena |
Directorio raíz en el volumen NAS remoto donde se encuentran los documentos que se tienen que servir. Por ejemplo, puede ser mydocs. Si docs_dir se establece como una cadena vacía, se usa el directorio raíz del volumen de contenido. |
|
logs_enabled |
Cadena |
Controla si el registro IIS está activado. Los valores permitidos son "on" y "off". Si se establece como "on" y el terminal de registro está conectado, los registros se almacenarán en el dispositivo NAS remoto, en el recurso compartido cifs. Si se establece como "on" y el terminal de registro no está conectado, los registros se almacenarán en la unidad de arranque de Windows, en la ubicación predeterminada (C:\WINDOWS\system32\LogFiles\W3SVC1\*). Si se establece como "off", los registros se deshabilitarán completamente. Valor predeterminado: off |
|
srv2_standby |
Entero |
Especifica si el segundo servidor IIS0Ny está en modo en espera. Si es diferente a cero, el segundo servidor IIS0Ny estará en modo en espera; de lo contrario no estará en modo en espera. |
|
srv3_standby |
Entero |
Especifica si el tercer servidor IIS0Ny está en modo en espera. Si es diferente a cero, el tercer servidor IIS0Ny estará en modo en espera; de lo contrario no estará en modo en espera. |
|
srv4_standby |
Entero |
Especifica si el cuarto servidor IIS0Ny está en modo en espera. Si es diferente a cero, el cuarto servidor IIS0Ny estará en modo en espera; de lo contrario no estará en modo en espera. |
|
srv5_standby |
Entero |
Especifica si el cuarto servidor IIS0Ny está en modo en espera. Si es diferente a cero, el quinto servidor IIS0Ny estará en modo en espera; de lo contrario no estará en modo en espera. |
|
srv6_standby |
Entero |
Especifica si el cuarto servidor IIS0Ny está en modo en espera. Si es diferente a cero, el sexto servidor IIS0Ny estará en modo en espera; de lo contrario no estará en modo en espera. |
|
srv7_standby |
Entero |
Especifica si el cuarto servidor IIS0Ny está en modo en espera. Si es diferente a cero, el séptimo servidor IIS0Ny estará en modo en espera; de lo contrario no estará en modo en espera. |
|
srv8_standby |
Entero |
Especifica si el cuarto servidor IIS0Ny está en modo en espera. Si es diferente a cero, el octavo servidor IIS0Ny estará en modo en espera; de lo contrario no estará en modo en espera. |
Importante: Ninguna de las propiedades de cadena enumeradas distingue entre mayúsculas y minúsculas (minúscula). Todas las demás propiedades de cadena distinguen entre mayúsculas y minúsculas.
Propiedades avanzadas
Estas son propiedades adicionales que normalmente no es necesario configurar. Se pueden utilizar para ajustar IIS0Nyx8 en circunstancias no estándar.
|
Nombre de la propiedad |
Tipo |
Descripción |
|
lb_mode |
Cadena |
Especifica el modo de operación y una forma de usar la llamada "cookie de sesión" para identificarse en la sesión. Los valores válidos son: |
|
lb_cookie_name |
Cadena |
El nombre de la cookie que se usa para identificar una sesión. En los modos pasivos (passive y synch, consulte la propiedad mode más adelante), éste es el nombre de la cookie que utilizan los servidores de fondo conectados a out1 - out8 para identificar las sesiones de cliente. En el modo de inserción, éste es el nombre de la cookie que HALB debe insertar en las respuestas HTTP de manera que cada cliente se "vincule" a un solo servidor. Si esta propiedad se establece como vacía, no se realiza ningún seguimiento de sesión y todas las solicitudes se distribuyen de forma ordenada y sencilla. En el modo de origen se hace caso omiso de esto. |
|
lb_cookie_check_length |
Entero |
Determina cuántos bytes del valor de la cookie se utilizan como clave única en el modo pasivo de funcionamiento para hacer coincidir la sesión con el servidor Web de back-end. El valor predeterminado 10 suele ser suficiente para todas las aplicaciones Java y PHP comunes. Este valor debe ser siempre igual o inferior a la longitud del valor de la cookie. |
|
lb_max_connections |
Entero |
Número máximo de conexiones activas simultáneas que gestiona el equilibrador de carga. Cuando se alcanza este número, se siguen aceptando nuevas conexiones, pero se retrasa su procesamiento hasta que se cierre otra conexión. En el inicio, el equilibrador de carga determina automáticamente el número máximo de conexiones basándose en la memoria disponible, lo compara con el valor de esta propiedad y utiliza el valor más bajo. Si esta propiedad es igual a 0, se utiliza el valor calculado. Observe que ni la memoria disponible ni una configuración explícita de esta propiedad tienen un efecto directo sobre el rendimiento del equilibrador o su tasa de solicitud máxima: el hecho de establecer un número bajo (o de tener poca memoria) afecta a la respuesta solamente si los servidores de back-end están realizando operaciones largas para cada solicitud (por ejemplo, búsquedas en una base de datos), lo que hace que muchas solicitudes permanezcan abiertas al mismo tiempo. |
|
lb_backup_outputs |
Cadena |
Una lista delimitada por espacios o comas (out1 - out8) de salidas que se consideran copias de seguridad. El tráfico se dirige a los servidores de copia de seguridad solamente si ninguno de los servidores de back-end está disponible. La finalidad de estos servidores de copia de seguridad es notificar a los clientes que algo está mal o redirigirlos, en lugar de generar errores de back-end no disponible o de tiempo de espera agotado. |
|
lb_healthcheck_url |
Cadena |
URL que se utiliza para ejecutar el control de estado de los servidores Web de back-end en los métodos de control de estado http_get y http_head. Se puede especificar como una URL completa (http://host.name/file/to/check/for.php) o como una ruta relativa (/file/to/check/for.php). Si se especifica como una URL, HALB utiliza el protocolo HTTP/1.1 mientras se realizan los controles de estado utilizando el nombre de host extraído de UR, en un encabezado "Host:". Esto permite usar hosts virtuales. Si se especifica como una ruta relativa, HALB utiliza el protocolo HTTP/1.0 y busca el documento que especifique esta propiedad. Si esta propiedad está vacía, el equilibrador de carga busca la raíz predeterminada "/" utilizando el protocolo HTTP/1.0. |
|
lb_healthcheck_agent |
Cadena |
Cadena que se utiliza como un identificador de agente para los métodos de control de estado http_get y http_head. Si su valor está vacío, se utiliza "HALB-health-check". |
|
lb_healthcheck_method |
Cadena |
Método utilizado para el control de estado de los servidores Web de back-end. |
|
lb_healthcheck_regexp |
Cadena |
Cadena de prueba utilizada con el modo de control de estado http_get. Los valores cortos o comunes (por ejemplo, "OK") probablemente generarán falsos positivos. Esta cadena es una expresión regular de Perl. |
|
lb_healthcheck_interval |
Entero |
Intervalo entre los controles de estado de los servidores Web de back-end (especificado en segundos). |
|
lb_timeout |
Entero |
Tiempo de espera en segundos para que caduquen las sesiones inactivas. Si este valor se establece en cero, las sesiones inactivas no caducarán. Si se establece en un valor distinto de cero, las sesiones inactivas reanudadas después de los segundos del tiempo de espera se consideran caducadas y las solicitudes que llevan la cookie "forgotten" se tratan como si no tuvieran ninguna cookie y se dirigen a un servidor aleatorio, mediante el método de operación por turnos habitual. Esta propiedad es solamente válida para el modo pasivo; se hace caso omiso de ella en el resto de los modos. |
|
lb_client_timeout |
Entero |
Tiempo de espera en segundos para esperar una solicitud de un cliente después de haber establecido la conexión. |
|
lb_server_timeout |
Entero |
Tiempo de espera en segundos para esperar una contestación de un servidor Web de back-end después de haber establecido la conexión. |
|
lb_conn_timeout |
Entero |
Tiempo de espera en segundos para establecer cualquier conexión tcp. Esto incluye los controles de estado. Se deberá prestar una atención especial a esta configuración, porque si con las cargas grandes se agota el tiempo de los controles de estado a causa de un valor insuficientemente pequeño, el equilibrador de carga comenzará a deshabilitar las salidas. No se recomienda establecer un valor inferior a 20 segundos. |
|
lb_username |
Cadena |
Nombre de usuario para acceder a la GUI del equilibrador de carga a través del terminal ui. Si no se especifica ningún valor, no se realizará ninguna autenticación. |
|
lb_password |
Cadena |
Contraseña para acceder a la GUI del equilibrador de carga a través del terminal ui. La contraseña se ignora si el nombre de usuario está vacío. |
|
lb_ctl_port |
Entero |
Puerto que se usa para acceder a la interfaz de control de servicios Web a través del terminal ctl. |
|
lb_ui_port |
Entero |
Puerto que se usa para acceder a la GUI de estadísticas de tiempo de ejecución del equilibrador de carga a través del terminal ui. |
|
index_files |
Cadena |
Lista de archivos ordenada y separada por espacios que se usa como una página de índice de directorio en el caso de que el cliente pida una URL que haga referencia a un nombre de directorio. |
|
max_connections |
Entero |
Número máximo de conexiones activas simultáneas que puede controlar cada nodo IIS. El número real de conexiones simultáneas puede limitarse a un valor inferior al especificado para esta propiedad si no hay bastante memoria en el sistema. Consulte la sección Uso de la memoria. |
|
idle_timeout_sec |
Entero |
Tiempo de espera, en segundos, para mantener una conexión de cliente abierta si no hay ninguna solicitud o respuesta. Si se mantiene un tiempo de espera breve, las conexiones se "olvidarán" rápidamente. Valor predeterminado: 15. |
|
data_timeout_sec |
Entero |
Tiempo de espera, en segundos, para recibir o enviar más datos si se ha iniciado una transferencia de datos pero no se ha completado. Este tiempo de espera permite a IIS03y eliminar las conexiones que se han olvidado mientras se permiten aún retrasos durante la transferencia. Valor predeterminado: 300 |
Importante: Ninguna de las propiedades de cadena enumeradas distingue entre mayúsculas y minúsculas (minúscula). Todas las demás propiedades de cadena distinguen entre mayúsculas y minúsculas.
En esta sección se proporciona información útil para configurar los scripts que sirven contenido dinámico.
Nombres de directorio fijos
Al iniciar el servidor HTTP, los siguientes directorios y archivos están disponibles dentro del espacio de sistema de archivos de cada instancia de IIS0Ny (no se recomienda usar nombres de directorio absolutos fuera de estas ubicaciones en cualquier script o archivo de configuración):
\\fs\share: la raíz del almacenamiento de archivos compartidos de lectura/escritura proporcionada por un servidor NAS conectado al terminal fs.
Control de acceso
Para poder servir contenido a través de HTTP, los archivos del volumen de contenido deberían tener permisos de "lectura" para todo el mundo.
Para servir contenido dinámico desde el recurso compartido del sistema de archivos remoto, cada dispositivo IIS0Ny interior debe estar configurado.
Cómo configurar cada dispositivo IIS03y interior
x86: C:\Windows\Microsoft.NET\Framework\v2.0.50727\CasPol.exe -m -ag 1 -url "file:////\\fs\share\*" FullTrust -exclusive on
o
x64: C:\Windows\Microsoft.NET\Framework64\v2.0.50727\CasPol.exe -m -ag 1 -url "file:////\\fs\share\*" FullTrust -exclusive on
Importante: Reemplace "file:////\\fs\share\*" por una ruta correcta si procede (repita el comando si hay varias carpetas)
Envío de correo electrónico
El sistema "SMTP IIS" no está configurado en ningún IIS0Ny. No lo utilice para enviar correo electrónico desde este dispositivo. En todos los casos, el gestor de envío SMTP se debería configurar para utilizar aux como nombre de host del servidor SMTP. Consulte los casos de uso de ejemplo sobre cómo usar IIS0Ny con el correo electrónico.
A continuación se presenta un ejemplo del interior de IIS0Nyx8.

Aplicación de 2 niveles escalable

Limitaciones conocidas
Si tiene algún problema o desea hacer una sugerencia, póngase en contacto con el Soporte técnico.
| Copyright © 2011 CA. Todos los derechos reservados. | Enviar correo electrónico a CA Technologies acerca de este tema |