Última versión: 5.2.0-10
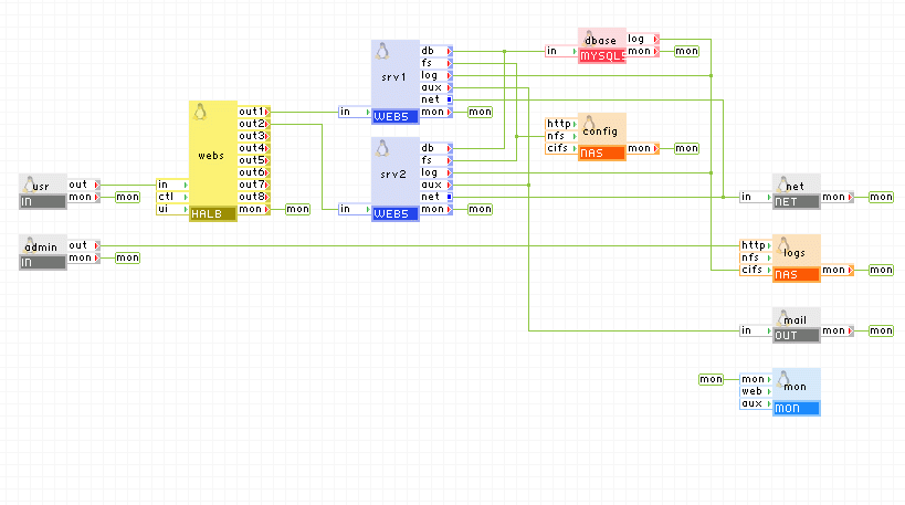
La infraestructura de la aplicación se muestra abajo:

Esta aplicación es una implementación de CRM escalable con características completas. La funcionalidad de la aplicación está proporcionada por Sugar Community Edition 5.2.0 SugarCRM (http://www.sugarcrm.com/crm/). Esta versión de SugarCRM cuenta con licencia GPLv3. La infraestructura adaptable se construye mediante dispositivos del catálogo de CA 3Tera AppLogic y CA 3Tera AppLogic.
La fuente abierta de Sugar permite a las empresas de ventas, marketing y asistencia gestionar sus relaciones con los clientes de forma más eficaz y rentable. Está destinado tanto a empresas grandes como pequeñas.
Para conocer las guías de usuario y administración, visite el sitio Web de SugarCRM.
La aplicación SugarCRM se empaqueta como un dispositivo. Toda la configuración necesaria se muestra en el límite de la aplicación, de manera que la aplicación se pueda configurar como un único dispositivo (mediante la hoja de propiedades de Configuración de la aplicación en el editor).
Propiedades
Estos son los únicos valores que se deben configurar para iniciar una nueva copia de la aplicación. Algunos valores de configuración se distribuyen automáticamente entre varios dispositivos (como los servidores DNS, el correo electrónico de administrador, etc.). No es necesario conocer la estructura interna de la aplicación para poder configurarla.
|
Nombre de la propiedad |
Tipo |
Descripción |
|
usr_ip |
IP |
Es la dirección IP en la cual la aplicación proporciona servicios a los usuarios. Esta propiedad es obligatoria. |
|
admin_ip |
IP |
Es la dirección IP en la cual el administrador de la aplicación puede acceder a los registros. Esta propiedad es obligatoria. |
|
out_ip |
IP |
Es la dirección IP desde la cual la puerta de enlace de correo va a enviar correo electrónico. Esta propiedad es obligatoria. En el futuro, podremos proporcionar asignación automática de direcciones IP a las puertas de enlace de salida. |
|
net_ip |
IP |
Es la dirección IP que la puerta de enlace NET va a utilizar. Esta propiedad es obligatoria. |
|
netmask |
IP |
Máscara de red para la red en la que residen usr_ip, admin_ip y out_ip. Esta propiedad es obligatoria. |
|
gateway |
IP |
Dirección de la puerta de enlace IP que se utilizará para enrutar tráfico. Esta propiedad se deberá especificar para acceder a la aplicación SugarCRM desde los host externos a la red IP en la cual SugarCRM se está ejecutando (es decir, en la mayor parte de los casos). Usar 0.0.0.0 para desactivar. Esta propiedad es obligatoria. |
|
dns1 |
IP |
Dirección IP de un servidor DNS para resoluciones de nombre de host. Se utiliza para resolver el nombre del servidor de correo. Esta propiedad es obligatoria. |
|
dns2 |
IP |
Dirección IP de un servidor DNS de copia de seguridad para resoluciones de nombre de host. Se utiliza para resolver el nombre del servidor de correo. Valor predeterminado: 0.0.0.0 |
|
mail_server |
Cadena |
Nombre de host del servidor de correo SMTP a través del cual SugarCRM debería enviar notificaciones de correo electrónico de cambios de error. El servidor de correo se puede especificar como un nombre de host (por ejemplo, mail.CA.com) o como una dirección IP (por ejemplo, 12.34.56.78). Valor predeterminado: 0.0.0.0 (el correo está desactivado). |
|
allowed_hosts |
Cadena |
Lista de hosts o subredes a las cuales se permite la conexión. Las distintas entradas se deben separar con espacios o comas. Ejemplo de formato admitido: 192.168.1.2 192.168.1.0/24 192.168.2.0/255.255.255.0. Valor predeterminado: 0.0.0.0/0 (se permite todo) |
|
denied_hosts |
Cadena |
Lista de los host o subredes a las cuales se deniega la conexión. El formato es el mismo que para allowed_hosts. Valor predeterminado: vacío (no se deniega nada) |
|
admin_email |
Cadena |
Dirección de correo electrónico del administrador de la aplicación. Esta dirección se utiliza en las páginas web generadas por los servidores con error. Valor predeterminado: root@localhost.com |
|
usr_hostname |
Cadena |
Nombre del host con el que se puede acceder a la aplicación. Este es el nombre al que los usuarios apuntan los exploradores: http://usr_hostname/. Este nombre debería resolver a la dirección IP especificada en usr_ip. Valor predeterminado: localhost |
|
admin_user |
Cadena |
Es el nombre de usuario del administrador. Este nombre es necesario para acceder a los registros. Valor predeterminado: admin |
|
admin_password |
Cadena |
Es la contraseña del administrador, que se necesita para acceder a los registros. Valor predeterminado: 3tSugar Cambie la contraseña del administrador antes de ejecutar la aplicación. |
|
timezone |
Cadena |
Especifica la zona horaria utilizada en la aplicación. Si esta propiedad está vacía, la zona horaria no se modifica y se deja tal cual. Aquí tiene disponible una lista de zonas horarias admitidas. Valor predeterminado: vacío |
|
mon_standby |
Entero |
Determina si se desactiva la monitorización de la aplicación cuando ésta se inicie. Si es diferente a cero, se desactiva la monitorización; de lo contrario se activa. La monitorización se puede activar en tiempo de ejecución mediante el inicio manual del dispositivo de monitorización. Valor predeterminado: 1 (la monitorización está desactivada). |
Importante: Las direcciones IP configuradas en las propiedades usr_ip, admin_ip y out_ip deben ser direcciones IP disponibles en el grid de CA 3Tera AppLogic. Puede encontrarlas, junto con la máscara de red, la puerta de enlace y los servidores DNS, en el cuadro de mandos del grid. Estamos trabajando para hacer posible que CA 3Tera AppLogic proporcione estas direcciones automáticamente.
Recursos
|
Recurso |
Mínimo |
Máximo |
Predeterminado |
|
CPU |
0,85 |
116 |
0,2.15 |
|
Memoria |
1.406 GB |
202 GB |
2.937 GB |
|
Ancho de banda |
11 Mbps |
20,5 Gbps |
1.55 Gbps |
Volúmenes de usuario
La aplicación utiliza varios volúmenes. Forman parte de la aplicación y ya están configurados en las instancias del dispositivo. No hay ningún volumen que se tenga que configurar en el límite de la aplicación.
Información de inicio de sesión del administrador
Al principio la única configuración de cuenta de la aplicación es la de administrador. El administrador debe iniciar sesión y crear las cuentas de usuario necesarias.
|
user |
password |
|
admin |
3tSugar |
Información de inicio de sesión del usuario
Los usuarios de la aplicación SugarCRM pueden acceder a ella en la dirección definida por la dirección usr_ip.
No hay ningún usuario predefinido incorporado a la aplicación. Las cuentas de usuario se pueden crear iniciando sesión con la cuenta de administrador indicada anteriormente.
Información de inicio de sesión del administrador de TI
El administrador de TI de la aplicación SugarCRM puede acceder a los registros mediante un explorador. Se puede acceder a los registros en la dirección definida por admin_ip.
Si tiene previsto utilizar esta aplicación en un entorno de producción quizás desee aumentar el tamaño del volumen de datos; para ello, cree un nuevo volumen de aplicación de mayor tamaño (un mayor número de usuarios necesita más espacio en disco) y copie en él el volumen de datos. A continuación, solo tiene que asignar el nuevo volumen al dispositivo dbase y reiniciar la aplicación.
| Copyright © 2011 CA. Todos los derechos reservados. | Enviar correo electrónico a CA Technologies acerca de este tema |