最新版本:5.2.0-10
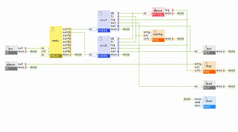
应用基础架构如下所示:

此应用是功能齐全的可扩展 CRM 的实现。 应用的功能由 SugarCRM 的 Sugar 社区版 5.2.0 (http://www.sugarcrm.com/crm/) 提供。 此版本的 SugarCRM 遵循 GPLv3 获得许可。 可扩展基础架构是使用 CA 3Tera AppLogic 和 CA 3Tera AppLogic 的目录组件构建的。
Sugar 开源使销售、营销和保障组织能够更有利有效地管理其客户交互,并且适用于各种规模的公司。
有关管理和用户指南,请参见 SugarCRM 网站。
SugarCRM 应用已打包为组件。 所有所需设置暴露于应用边界,所以应用能配置为单个组件(在编辑器中使用应用配置属性表)。
属性
这些是启动应用新副本时必须配置的仅有设置。 某些设置已自动分配给多个组件(如 DNS 服务器、管理员电子邮件等)。 您无需了解应用内部结构就能对其进行配置。
|
属性名 |
类型 |
说明 |
|
usr_ip |
IP |
这是应用为用户提供服务的 IP 地址。 此属性是强制性属性。 |
|
admin_ip |
IP |
这是应用管理员可访问日志的 IP 地址。 此属性是强制性属性。 |
|
out_ip |
IP |
这是邮件网关发送电子邮件将使用的 IP 地址。 此属性是强制性属性。 今后,我们可能为输出网关提供自动分配的 IP 地址。 |
|
net_ip |
IP |
这是网络网关将使用的 IP 地址。 此属性是强制性属性。 |
|
网络掩码 |
IP |
usr_ip、admin_ip 和 out_ip 所在网络的网络掩码。 此属性是强制性属性。 |
|
网关 |
IP |
用于路由流量的 IP 网关的地址。 必须指定此属性才能从 SugarCRM 所运行 IP 网络之外的主机上访问 SugarCRM 应用(即多数情况)。 使用 0.0.0.0 可禁用。 此属性是强制性属性。 |
|
dns1 |
IP |
用于主机名解析的 DNS 服务器的 IP 地址。 用于解析邮件服务器名称。 此属性是强制性属性。 |
|
dns2 |
IP |
用于主机名解析的备份 DNS 服务器的 IP 地址。 用于解析邮件服务器名称。 默认值:0.0.0.0 |
|
mail_server |
字符串 |
SugarCRM 发送 Bug 更改电子邮件通知的 SMTP 邮件服务器的主机名。 该邮件服务器可指定为主机名(例如 mail.CA.com)或 IP 地址(例如 12.34.56.78)。 默认:0.0.0.0(邮件已禁用)。 |
|
allowed_hosts |
字符串 |
允许连接的主机或子网的列表。 使用空格或逗号分隔多个条目。 支持的格式示例:192.168.1.2 192.168.1.0/24 192.168.2.0/255.255.255.0。 默认值:0.0.0.0/0(全部允许) |
|
denied_hosts |
字符串 |
拒绝连接的主机或子网的列表。 格式与 allowed_hosts 相同。 默认值:(空)(没有连接被拒绝) |
|
admin_email |
字符串 |
应用管理员的电子邮件地址。 此地址用于服务器出现错误时生成的网页。 默认:root@localhost.com |
|
usr_hostname |
字符串 |
可以访问应用的主机名。 这是用户在浏览器中指向的名称:http://usr_hostname/。 此名称应解析为 usr_ip 中指定的 IP 地址。 默认值:localhost |
|
admin_user |
字符串 |
这是管理员的用户名。 这是访问日志所需的名称。 默认:admin |
|
admin_password |
字符串 |
这是访问日志所需的管理员密码。 默认:3tSugar 请在运行应用之前更改管理员密码。 |
|
时区 |
字符串 |
指定应用使用的时区。 如果此属性为空,则时区未经修改且保持原样。 此处提供可支持时区的列表。 默认值:空 |
|
mon_standby |
Int |
确定应用启动时应用监控是否已禁用。 如果为非零,则监控已禁用,否则监控已启用。 通过手工启动 mon 组件可以在运行时启用监控。 默认:1(监控已禁用)。 |
重要信息! usr_ip、admin_ip 和 out_ip 属性中配置的 IP 地址必须是您的 CA 3Tera AppLogic 网格上可使用的 IP 地址。 您可能会在您的网格显示板上发现这些地址以及网络掩码、网关和 DNS 服务器。 我们正在努力使 CA 3Tera AppLogic 能自动提供这些地址。
资源
|
资源 |
最小值 |
最大值 |
默认值 |
|
CPU |
0.85 |
116 |
2.15 |
|
内存 |
1.406 GB |
202 GB |
2.937 GB |
|
带宽 |
11 Mbps |
20.5 Gbps |
1.55 Gbps |
用户卷
应用本身使用多个卷。 它们是应用的一部分且已配置到组件实例中。 应用边界没有需要配置的卷。
管理员登录信息
应用上最初的唯一帐户设置是管理员。 管理员必须登录并创建任何需要的用户帐户。
|
用户 |
password |
|
admin |
3tSugar |
用户登录信息
SugarCRM 应用的用户可以通过 usr_ip 中定义的地址对其进行访问。
该应用没有内置任何预定义用户。 通过上面列出的管理员帐户登录后可创建用户帐户。
IT 管理员登录信息
SugarCRM 应用的 IT 管理员可以使用浏览器访问日志。 通过 admin_ip 中定义的地址可访问日志。
如果准备在生产环境中使用此应用,您可能要通过创建较大的新应用卷(更多用户需要更多磁盘空间)并将数据卷复制到新应用卷来增加数据卷大小。 然后只需要将新卷分配给 dbase 组件并重新启动应用即可。
| 版权所有 © 2011 CA。 保留所有权利。 | 就该主题发送电子邮件至 CA Technologies |