2E Commands, YA to YDOCMSGREF
›
YCRTOBJ (Create Objects)
› Syntax Diagram
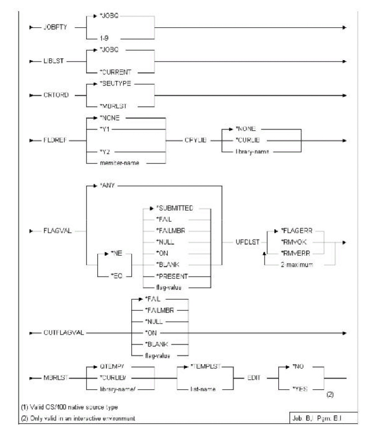
Syntax Diagram
Copyright © 20011 CA. All rights reserved.
Tell Technical Publications how we can improve this information