2E Commands, YA to YDOCMSGREF
›
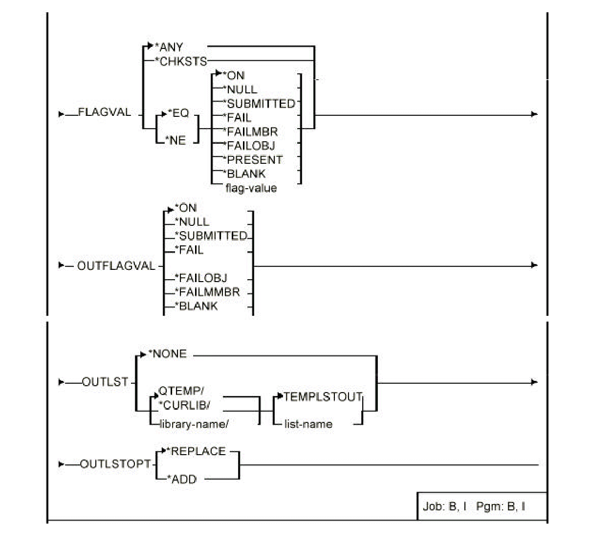
YCHKLSTE (Check List Entries)
› Syntax Diagram
Syntax Diagram
Copyright © 20011 CA. All rights reserved.
Tell Technical Publications how we can improve this information